熱間圧延鋼構造フレーム要素の断面形状の寸法パラメータの値を確認、修正します。
これらのタイプのプロパティは、要素の断面形状ファミリ カテゴリ パラメータから作成されます。
| 断面形状 | 使用可能な形状の寸法パラメータ |
|---|---|
鋼管の標準
![]() |
D. 直径: 円形断面形状の外径寸法です。 T. 壁の設計肉厚: 断面形状の内部サーフェスと外部サーフェス間の垂直方向の設計厚です。 t. 壁の標準肉厚: 断面形状の内部サーフェスと外部サーフェス間の垂直方向の平均距離です。 y. 水平方向の図心: 水平軸に沿った、断面形状の図心から左側端部までの距離です。 z. 垂直方向の図心: 垂直軸に沿った、断面形状の図心から下側端部までの距離です。 |
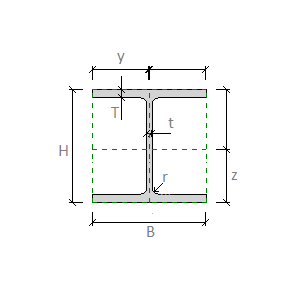
I 形パラレル フランジ
![]() |
B. 幅: 断面形状の外側の幅です。 H. 高さ: 断面形状の外側の高さです。 T. フランジの厚さ: 断面形状のフランジの厚さ(外部サーフェス間の距離)です。 t. ウェブの厚さ:断面形状のウェブの厚さ(外部サーフェス間の距離)です。 r. ウェブ フィレット: ウェブとフランジ間のフィレットの半径です。 y. 水平方向の図心: 水平軸に沿った、断面形状の図心から左側端部までの距離です。 z. 垂直方向の図心: 垂直軸に沿った、断面形状の図心から下側端部までの距離です。 |
I 形傾斜フランジ
![]() |
B. 幅: 断面形状の外側の幅です。 H. 高さ: 断面形状の外側の高さです。 T. フランジの厚さ: 断面形状のフランジの厚さ(外部サーフェス間の距離)です。 TL.フランジの厚さの位置: 傾斜フランジの終点から、フランジの厚さが計測される位置までの距離です。 SA.フランジ内面のテーパー角度: 断面形状の傾斜したフランジ平面と水平平面とがなす角度です。 t. ウェブの厚さ:断面形状のウェブの厚さ(外部サーフェス間の距離)です。 r1. ウェブ フィレット: ウェブとフランジ間のフィレットの半径です。 r2. フランジ フィレット: 断面形状のフランジ端部のフィレットの半径です。 y. 水平方向の図心: 水平軸に沿った、断面形状の図心から左側端部までの距離です。 z. 垂直方向の図心: 垂直軸に沿った、断面形状の図心から下側端部までの距離です。 |
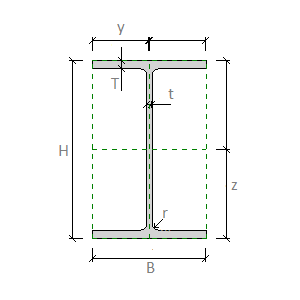
I 形ワイド フランジ
![]() |
B. 幅: 断面形状の外側の幅です。 H. 高さ: 断面形状の外側の高さです。 T. フランジの厚さ: 断面形状のフランジの厚さ(外部サーフェス間の距離)です。 t. ウェブの厚さ:断面形状のウェブの厚さ(外部サーフェス間の距離)です。 r. ウェブ フィレット: ウェブとフランジ間のフィレットの半径です。 y. 水平方向の図心: 水平軸に沿った、断面形状の図心から左側端部までの距離です。 z. 垂直方向の図心: 垂直軸に沿った、断面形状の図心から下側端部までの距離です。 |
溝形鋼パラレル フランジ
![]() |
B. 幅: 断面形状の外側の幅です。 H. 高さ: 断面形状の外側の高さです。 T. フランジの厚さ: 断面形状のフランジの厚さ(外部サーフェス間の距離)です。 t. ウェブの厚さ:断面形状のウェブの厚さ(外部サーフェス間の距離)です。 r. ウェブ フィレット: ウェブとフランジ間のフィレットの半径です。 y. 水平方向の図心: 水平軸に沿った、断面形状の図心から左側端部までの距離です。 z. 垂直方向の図心: 垂直軸に沿った、断面形状の図心から下側端部までの距離です。 |
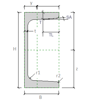
溝形鋼
![]() |
B. 幅: 断面形状の外側の幅です。 H. 高さ: 断面形状の外側の高さです。 T. フランジの厚さ: 断面形状のフランジの厚さ(外部サーフェス間の距離)です。 TL.フランジの厚さの位置: 傾斜フランジの終点から、フランジの厚さが計測される位置までの距離です。 SA.フランジ内面のテーパー角度: 断面形状の傾斜したフランジ平面と水平平面とがなす角度です。 t. ウェブの厚さ:断面形状のウェブの厚さ(外部サーフェス間の距離)です。 r1. ウェブ フィレット: ウェブとフランジ間のフィレットの半径です。 r2. フランジ フィレット: 断面形状のフランジ端部のフィレットの半径です。 y. 水平方向の図心: 水平軸に沿った、断面形状の図心から左側端部までの距離です。 z. 垂直方向の図心: 垂直軸に沿った、断面形状の図心から下側端部までの距離です。 |
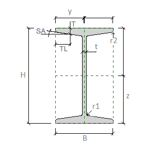
山形鋼
![]() |
B. 幅: 断面形状の外側の幅です。 H. 高さ: 断面形状の外側の高さです。 T. フランジの厚さ: 断面形状のフランジの厚さ(外部サーフェス間の距離)です。 t. ウェブの厚さ:断面形状のウェブの厚さ(外部サーフェス間の距離)です。 r1. ウェブ フィレット: ウェブとフランジ間のフィレットの半径です。 r2. フランジ フィレット: 断面形状のフランジ端部のフィレットの半径です。 r3.上部ウェブ フィレット: 断面形状のウェブ上部のフィレットの半径です。 y. 水平方向の図心: 水平軸に沿った、断面形状の図心から左側端部までの距離です。 z. 垂直方向の図心: 垂直軸に沿った、断面形状の図心から下側端部までの距離です。 alpha. 主軸の角度: 主軸と断面の参照面との間の回転角です。これは、構造解析ファミリ パラメータとして一覧表示されます。 |
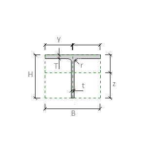
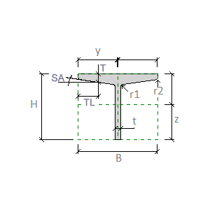
CT
![]() |
B. 幅: 断面形状の外側の幅です。 H. 高さ: 断面形状の外側の高さです。 T. フランジの厚さ: 断面形状のフランジの厚さ(外部サーフェス間の距離)です。 t. ウェブの厚さ:断面形状のウェブの厚さ(外部サーフェス間の距離)です。 r. ウェブ フィレット: ウェブとフランジ間のフィレットの半径です。 y. 水平方向の図心: 水平軸に沿った、断面形状の図心から左側端部までの距離です。 z. 垂直方向の図心: 垂直軸に沿った、断面形状の図心から下側端部までの距離です。 |
I スプリット傾斜フランジ
![]() |
B. 幅: 断面形状の外側の幅です。 H. 高さ: 断面形状の外側の高さです。 T. フランジの厚さ: 断面形状のフランジの厚さ(外部サーフェス間の距離)です。 TL.フランジの厚さの位置: 傾斜フランジの終点から、フランジの厚さが計測される位置までの距離です。 SA.フランジ内面のテーパー角度: 断面形状の傾斜したフランジ平面と水平平面とがなす角度です。 t. ウェブの厚さ:断面形状のウェブの厚さ(外部サーフェス間の距離)です。 r1. ウェブ フィレット: ウェブとフランジ間のフィレットの半径です。 r2. フランジ フィレット: 断面形状のフランジ端部のフィレットの半径です。 y. 水平方向の図心: 水平軸に沿った、断面形状の図心から左側端部までの距離です。 z. 垂直方向の図心: 垂直軸に沿った、断面形状の図心から下側端部までの距離です。 |
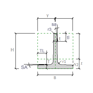
T 形鋼
![]() |
B. 幅: 断面形状の外側の幅です。 H. 高さ: 断面形状の外側の高さです。 TL.フランジの厚さの位置: 傾斜フランジの終点から、フランジの厚さが計測される位置までの距離です。 SA.フランジ内面のテーパー角度: 断面形状の傾斜したフランジ平面と水平平面とがなす角度です。 t. ウェブの厚さ:断面形状のウェブの厚さ(外部サーフェス間の距離)です。 tl.ウェブの厚さの位置: 傾斜ウェブの終点から、ウェブの厚さが計測される位置までの距離です。 sa.ウェブのテーパー角度: 断面形状の傾斜したウェブ平面と垂直平面とがなす角度です。 r1. ウェブ フィレット: ウェブとフランジ間のフィレットの半径です。 r2. フランジ フィレット: 断面形状のフランジ端部のフィレットの半径です。 r3.上部ウェブ フィレット: 断面形状のウェブ上部のフィレットの半径です。 y. 水平方向の図心: 水平軸に沿った、断面形状の図心から左側端部までの距離です。 z. 垂直方向の図心: 垂直軸に沿った、断面形状の図心から下側端部までの距離です。 |