커넥터 설명 추가

커넥터의 플러그 및 리셉터클 쪽에 설명 값을 추가합니다.

AutoCAD Electrical 도구 세트에서는 각 커넥터에 대한 설명 문자를 2줄로 입력할 수 있습니다. 한 줄에는 플러그에 대한 설명을, 다른 한 줄에는 커넥터의 리셉터클 쪽에 대한 설명을 입력합니다.

설명 추가

  1. 커넥터 PJ1을 마우스 오른쪽 버튼으로 클릭하고 구성요소 편집을 선택합니다.
  2. 구성요소 삽입/편집 대화상자의 핀 섹션에서 리스트를 클릭합니다.
  3. 사용 중인 커넥터 핀 번호 대화상자의 커넥터 핀 그리드에서 핀 1에 대한 설명 열을 클릭합니다.
  4. 핀 설명 섹션의 리셉터클에 POWER B2를 입력합니다.
  5. 커넥터 핀 그리드에서 핀 2에 대한 설명 열을 클릭합니다.
  6. 핀 설명 섹션의 리셉터클에 POWER B3를 입력합니다.
  7. 커넥터 핀 그리드에서 핀 3에 대한 설명 열을 클릭합니다.
  8. 핀 설명 섹션의 리셉터클에 POWER B4를 입력합니다.
  9. 확인을 클릭합니다.
  10. 구성요소 삽입/편집 대화상자에서 확인을 클릭합니다.
  11. 반복하여 흑색 박스 2, 흑색 박스 3 및 흑색 박스 4의 핀 A에서도 전원 입력에 대한 설명을 추가합니다.

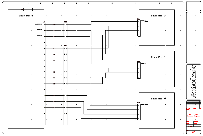
    점 대 점 다이어그램을 완성하면 다음 이미지와 같이 나타납니다.