Ten podzespół jest używany do nałożenia jednej strony istniejącej drogi oraz dodania jednego lub kilku pasów ruchu do krawędzi biegnącej wokół nawrotu krawężnika.
Jest on podobny do podzespołu Nakładka Poszerzenie Do Nachylenia 1 z tą różnicą, że jest wydłużony do wewnątrz od istniejącego lub proponowanego punktu kołnierza krawężnika.

Punkt dołączenia znajduje się na zewnętrznej krawędzi sekcji poszerzenia pasa ruchu. Zwykle ten podzespół jest wstawiany do wewnątrz od kołnierza istniejącego lub proponowanego krawężnika i ścieku lub od zewnętrznej krawędzi nawierzchni wokół nawrotu krawężnika.
Uwaga: Jeśli nie zaznaczono inaczej, wszystkie wymiary podawane są w metrach lub stopach. Wszystkie nachylenia podawane są jako kąt względem pionu (np. 4 : 1), chyba że podano nachylenie procentowe ze znakiem %.
|
Parametr |
Opis |
Rodzaj |
Wartość domyślna |
|---|---|---|---|
|
Bok |
Określa stronę punktu dołączania, do której zostanie dodany ten podzespół. |
Logiczny |
Lewy/prawy |
|
Szerokość poszerzenia |
Szerokość poszerzanego pasa ruchu. |
Liczbowy, dodatni |
3.6 m 12.0 stopy |
|
Szerokość nakładki |
Szerokość nakładki nawierzchni. |
Liczbowy, dodatni |
3.6 m 12.0 stopy |
|
Nachylenie (proporcja) |
Nachylenie nakładki i poszerzenia. |
Liczbowy |
- 2% |
|
Głębokość Naw1 |
Grubość warstwy Naw1 poszerzenia pasa ruchu; zero oznacza pominięcie. |
Liczbowy, dodatni |
0.025 m 0.083 stopy |
|
Głębokość Naw2 |
Grubość warstwy Naw2 poszerzenia pasa ruchu; zero oznacza pominięcie. |
Liczbowy, dodatni |
0.025 m 0.083 stopy |
|
Głębokość warstwy podstawowej |
Grubość warstwy podstawowej poszerzenia pasa ruchu. |
Liczbowy, dodatni |
0.100 m 0.333 stopy |
|
Głębokość dolnej warstwy nośnej |
Grubość dolnej warstwy nośnej poszerzenia pasa ruchu. |
Liczbowy, dodatni |
0.300 m 1.0 stopy |
W tej sekcji opisano występujące w tym podzespole parametry, które można mapować do jednego lub większej liczby obiektów docelowych, takich jak powierzchnia, linia trasowania lub obiekt profilu na rysunku. Więcej informacji zawiera temat Określanie ustawień docelowych korytarza.
|
Parametr |
Opis |
Stan |
|---|---|---|
|
Istniejąca powierzchnia |
Nazwa powierzchni definiującej istniejącą jezdnię. Następujące typy obiektów można zastosować jako obiekty docelowe do określania tej powierzchni: powierzchnie. |
Wymagany |
|
Odsunięcie poszerzenia |
Można używać do nadpisania stałej wartości parametru Szerokość poszerzenia i połączenia wewnętrznej krawędzi poszerzenia z linią trasowania. Następujące typy obiektów można zastosować jako obiekty docelowe do określania tego odsunięcia: linie trasowania, polilinie, linie charakterystyczne lub figury pomiarowe. |
Opcja |
|
Nakładka odsunięcia |
Można użyć do nadpisania parametru Szerokość nakładki i połączenia wewnętrznej krawędzi nakładki z linią trasowania. Następujące typy obiektów można zastosować jako obiekty docelowe do określania tego odsunięcia: linie trasowania, polilinie, linie charakterystyczne lub figury pomiarowe. |
Opcja |
|
Profil nakładki |
Można użyć do nadpisania parametru Nachylenie i połączenia rzędnej wewnętrznej krawędzi nakładki z profilem, w celu wykonania obliczenia nachylenia. Następujące typy obiektów można zastosować jako obiekty docelowe do określania tej rzędnej: profile, polilinie 3D, linie charakterystyczne lub figury pomiarowe. |
Opcja |
|
Parametr |
Opis |
Typ |
|---|---|---|
|
Nachylenie % |
Obliczane nachylenie na istniejącej powierzchni od punktu próbkowania do punktu wewnętrznego. |
Liczbowy |
Punkt dołączenia określa odsunięcie i rzędną zewnętrznej krawędzi poszerzenia. Położenia wewnętrznej krawędzi poszerzenia i wewnętrznej krawędzi nakładki są określane przy użyciu danych wartości szerokości i nachylenia. Do nadpisania danych liczbowych wartości szerokości można użyć linii trasowania. Jeśli parametr Profil nakładki jest dany, wówczas nachylenie jest obliczane między rzędną profilu przy wewnętrznej krawędzi nakładki a punktem dołączenia.
Na poniższym rysunku pokazano sytuację z profilem odsunięcia nakładki. (jeśli parametr Profil nakładki jest dany, nachylenie jest obliczane między rzędną profilu przy wewnętrznej krawędzi nakładki a punktem dołączenia).

Na poniższym rysunku pokazano sytuację bez profilu odsunięcia nakładki.

Należy koniecznie podkreślić, że nachylenie tego podzespołu od strony lewej do prawej jest takie samo. Do wszystkich podpowierzchni zastosowano również takie samo nachylenie.
Na koniec, jeśli jest dołączony profil nakładki, wówczas należy dodać łącza pionowe (a) od „odsunięcia nakładki” do powierzchni docelowej (EG), (b) od końca nakładki i początku poszerzenia do powierzchni docelowej (EG) oraz (c) dodać łącza między dwoma punktami wzdłuż (śledzących) łączy powierzchni docelowej (EG).
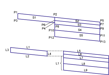
Powierzchnia utworzona przez ten kształt ma zostać zakodowana jako „Nakładka” (S1) w poniższym schemacie kodowania.
Nakładka jest obszarem między górą nakładki i terenem istniejącym i może mieć zmienną głębokość.
W trybie układu podzespół dołączany jest do jakiegokolwiek dogodnego punktu. Podzespół jest wyświetlany z danymi szerokościami i nachyleniem. W trybie modelowania kształty dostosowują się do rzeczywistych warunków zdefiniowanych przez istniejącą powierzchnię, przypisania logiczne czasu wykonania i profil.
W następującej tabeli wymieniono kody kształtów, połączeń i punktów dla tych podzespołów, do których przypisano kody. Kody kształtu, połączeń i punktów dla tych podzespołów, do których nie przypisano kodów, nie zostały uwzględnione w tej tabeli.
| Punkt, połączenie lub kształt | Kody | Opis |
|---|---|---|
| P5 | ETW | Zewnętrzna krawędź poszerzanego pasa ruchu na nachyleniu końcowym |
| P7 | ETW_Pave1 | Zewnętrzna krawędź poszerzanego pasa ruchu na Naw1 |
| P9 | ETW_Pave2 | Zewnętrzna krawędź poszerzanego pasa ruchu na Naw2 |
| P11 | KJ_Warstwa_podstawowa | Zewnętrzna krawędź poszerzanego pasa ruchu na warstwie podstawowej |
| P13 | KJ_Noś | Zewnętrzna krawędź poszerzanego pasa ruchu na dolnej warstwie nośnej |
| L1, L5 | Top, Pave | Powierzchnia nachylenia końcowego |
| L2 | Warstwa nałożona | Nałożone połączenia na istniejącej powierzchni Należy zauważyć, że pomiędzy punktami P3 i P4 może istnieć więcej niż jedno łącze. |
| L6 | Pave1 | |
| L7 | Pave2 | |
| L8 | Warstwa podstawowa | |
| L9 | Dolna warstwa nośna, Rzędna odniesienia | |
| L10 | Rzędna odniesienia | |
| S1 | Warstwa nałożona | Obszar pomiędzy warstwą nałożoną i istniejącym pasem. |
| S2 | Pave1 | |
| S3 | Pave2 | |
| S4 | Warstwa podstawowa | |
| S5 | Dolna warstwa nośna |
