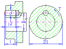
Zalecane wartości
d = (0,12 -0,25) D
l = (1 - 1,5) D
Aktywna długość sworznia
Aktywna długość sworznia 1 f jest długością zredukowaną o fazowanie i zaokrąglenie. Długość aktywna zazwyczaj przenosi obciążenia.
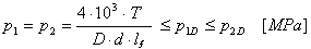
Wzory w jednostkach metrycznych
Przenoszony moment obrotowy
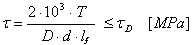
Kontrola naprężenia ścinającego
Kontrola nacisku dla kontaktu
gdzie:
|
P |
przenoszona moc [kW] |
|
|
n |
prędkość [rpm] |
|
|
T |
moment obrotowy [Nm] |
|
| τ |
naprężenie ścinające [MPa] |
|
|
τ A |
dopuszczalne naprężenie ścinające [MPa] |
|
|
d |
średnica sworznia [mm] |
|
|
p 1 |
nacisk w wale [MPa] |
|
|
p 2 |
nacisk w piaście [MPa] |
|
|
p 1A |
dopuszczalny nacisk w wale [MPa] |
|
|
p 2A |
dopuszczalny nacisk w piaście [MPa] |
|
|
D |
średnica wału [mm] |
|
|
D 1 |
średnica piasty [mm] |
|
|
l f |
długość aktywnego sworznia [mm] |
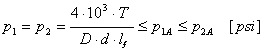
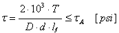
Wzory w jednostkach angielskich
Przenoszony moment obrotowy
Kontrola naprężenia ścinającego
Kontrola nacisku dla kontaktu
gdzie:
|
P |
przenoszona moc [HP] |
|
|
n |
prędkość [rpm] |
|
|
T |
moment obrotowy [funt stopa] |
|
| τ |
naprężenie ścinające [psi] |
|
|
τ A |
dopuszczalne naprężenie ścinające [psi] |
|
|
d |
średnica sworznia [cal] |
|
|
p 1 |
nacisk w wale [psi] |
|
|
p 2 |
nacisk w piaście [psi] |
|
|
p 1A |
dopuszczalny nacisk w wale [psi] |
|
|
p 2A |
dopuszczalny nacisk w piaście [psi] |
|
|
D |
średnica wału [cal] |
|
|
D 1 |
średnica piasty [cal] |
|
|
l f |
długość aktywnego sworznia [cal] |