Wymiary przekroju poprzecznego stali (inne rodzaje)

Można przeglądać i modyfikować wartości parametrów kształtu przekroju elementów ram konstrukcyjnych z innych rodzajów stali.

Te właściwości typu zostaną utworzone z parametru kategorii rodziny kształtu przekroju elementu.

Kształt przekroju Dostępne parametry wymiarów przekroju
Pręt prostokątny

B. Szerokość: zewnętrzna szerokość kształtu przekroju.

H. Wysokość: zewnętrzna wysokość kształtu przekroju.

y. Centroida pozioma: odległość od środka ciężkości kształtu przekroju do skrajnych wartości z lewej strony wzdłuż osi poziomej.

z. Centroida pionowa: odległość od środka ciężkości przekroju kształtu do dolnych skrajnych wartości wzdłuż osi pionowej.

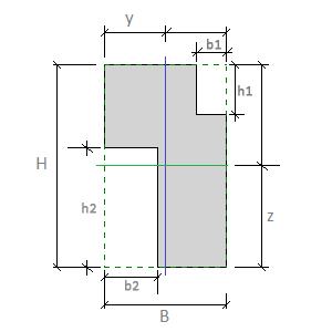
Cięcie prostokątne

B. Szerokość: zewnętrzna szerokość kształtu przekroju.

H. Wysokość: zewnętrzna wysokość kształtu przekroju.

h1. Wysokość górnego cięcia: wysokość górnego cięcia w kształcie o przekroju prostokątnym.

b1. Szerokość górnego cięcia: szerokość górnego cięcia w kształcie o przekroju prostokątnym.

h2. Wysokość dolnego cięcia: wysokość górnego cięcia w kształcie o przekroju prostokątnym.

b2. Szerokość dolnego cięcia: szerokość górnego cięcia w kształcie o przekroju prostokątnym.

y. Centroida pozioma: odległość od środka ciężkości kształtu przekroju do skrajnych wartości z lewej strony wzdłuż osi poziomej.

z. Centroida pionowa: odległość od środka ciężkości przekroju kształtu do dolnych skrajnych wartości wzdłuż osi pionowej.

Pręt okrągły

D. Średnica: zewnętrzna średnica przekroju o okrągłym kształcie.

y. Centroida pozioma: odległość od środka ciężkości kształtu przekroju do skrajnych wartości z lewej strony wzdłuż osi poziomej.

z. Centroida pionowa: odległość od środka ciężkości przekroju kształtu do dolnych skrajnych wartości wzdłuż osi pionowej.

Teownik

B. Szerokość: zewnętrzna szerokość kształtu przekroju.

H. Wysokość: zewnętrzna wysokość kształtu przekroju.

h1. Wysokość wspornika: wysokość kołnierza wspornika w kształcie przekroju.

b1. Długość wspornika: długość kołnierza wspornika w kształcie przekroju.

y. Centroida pozioma: odległość od środka ciężkości kształtu przekroju do skrajnych wartości z lewej strony wzdłuż osi poziomej.

z. Centroida pionowa: odległość od środka ciężkości przekroju kształtu do dolnych skrajnych wartości wzdłuż osi pionowej.

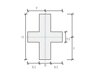
Układ krzyżowy

B. Szerokość: zewnętrzna szerokość kształtu przekroju.

H. Wysokość: zewnętrzna wysokość kształtu przekroju.

h1. Wysokość wspornika: wysokość kołnierza wspornika w kształcie przekroju.

b1. Długość wspornika: długość kołnierza wspornika w kształcie przekroju.

y. Centroida pozioma: odległość od środka ciężkości kształtu przekroju do skrajnych wartości z lewej strony wzdłuż osi poziomej.

z. Centroida pionowa: odległość od środka ciężkości przekroju kształtu do dolnych skrajnych wartości wzdłuż osi pionowej.

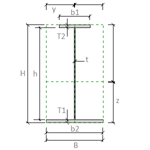
Dwuteownik spawany (stal ażurowa i spawana)

B. Szerokość: zewnętrzna szerokość kształtu przekroju.

H. Wysokość: zewnętrzna wysokość kształtu przekroju.

T2. Grubość górnego kołnierza: odległość między zewnętrzną powierzchnią górnego kołnierza w kształcie przekroju elementu ażurowego lub spawanego.

b1. Szerokość górnego kołnierza: zewnętrzna szerokość górnego kołnierza w kształcie przekroju elementu ażurowego lub spawanego.

T1. Grubość dolnego kołnierza: odległość między zewnętrznymi powierzchniami dolnego kołnierza w kształcie przekroju elementu ażurowego lub spawanego.

b2. Szerokość dolnego kołnierza: zewnętrzna szerokość dolnego kołnierza w kształcie przekroju elementu ażurowego lub spawanego.

t. Grubość środnika: odległość między zewnętrznymi powierzchniami środnika w kształcie przekroju.

h. Wysokość środnika: odległość wzdłuż środnika pomiędzy kołnierzami w kształcie przekroju.

y. Centroida pozioma: odległość od środka ciężkości kształtu przekroju do skrajnych wartości z lewej strony wzdłuż osi poziomej.

z. Centroida pionowa: odległość od środka ciężkości przekroju kształtu do dolnych skrajnych wartości wzdłuż osi pionowej.