Esta seção fornece descrições para alguns termos usados normalmente quando fazem referência a peças de rede de tubulação. 
  
Estrutura de termos
 
		 
	 
 
		-  
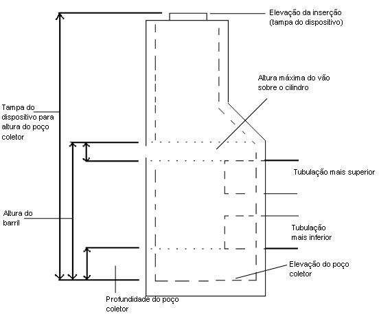
			 Tampa do dispositivo. O topo da elevação do bueiro - poço de visita ou bacia coletora (junção) estrutura. 
		  
 
-  
			 Quadro. O suporte para a cobertura em um bueiro ou grelha para uma Bacia Coletora. A elevação superior do quadro, cobertura, e grelha normalmente coincidem com a inserção da elevação (Tampa do dispositivo). 
		  
 
-  
			 Cobertura. A parte superior de acesso a cobertura de um bueiro - poço de visita, usado para atender ou inspecionar o bueiro - poço de visita. As coberturas são normalmente circulares na forma, mas elas também podem ser triangulares, para que eles não se encaixam em um bueiro - poço de visita quando for removido. A cobertura é colocada na estrutura e normalmente é composta de ferro fundido. 
		  
 
-  
			 Grelha. O topo da abertura de uma bacia coletora, que normalmente contém diversas aberturas para permitir entrada de água de superfície na estrutura. A grelha é colocada na estrutura e normalmente é composta de ferro fundido. Grelhas podem ser de diferentes formas, mas são normalmente circulares ou quadradas. 
		  
 
-  
			 Profundidade do fosso - profundidade do fosso - profundidade do poço e profundidade do poço coletor. Poço coletor faz referência à área inferior ou câmara dentro de uma estrutura de união, como uma Bacia Coletora. O depósito de área, às vezes, é usado como, composto por um depósito para detectar sujeira. Profundidade do fosso se refere a distância desde a parte inferior de dentro da estrutura para o menor inverter todos os tubos conectados a ele. A profundidade do fosso - profundidade do poço para um determinado tipo de estrutura pode variar de acordo com os requisitos do projeto. Bueiro - poço de visita tipicamente não tem profundidade do fosso - profundidade do poço. 
		  
 
 
		A ilustração a seguir mostra as localizações dos componentes em uma estrutura típica de junção. 
		
 
		
 
	  
Termos de tubulação
 
		 
	 
 
		-  
			 Inverter. A elevação da parte inferior dentro de uma tubulação. Também referido como linha de fluxo. 
		  
 
- 
			  
			 Coroar ou Obverter. A elevação dentro do topo da tubulação. 
		  
 
-  
			 Elevação da linha de centro da tubulação. A elevação de uma linha de centro da tubulação. 
		  
 
-  
			 Cobertura ou Profundidade. Faz referência à profundidade do material acima da peça externa superior de um tubo. 
		  
 
-  
			 Inclinação. Quando a inclinação é usada para se referir a inclinação de uma tubulação, ela é uma medida de inclinação. Para tubulações, a inclinação é definida por elevação (ou cai) sobre execução, onde a elevação é a diferença na elevação ao longo do comprimento de um trecho de tubulação, medido na horizontal. Inclinação normalmente é representada porcentagem. Por exemplo, a inclinação da tubulação em 2% significa que para cada 100 pés de comprimento horizontal de tubulação, a tubulação eleva 2 pés. No Autodesk Civil 3D, a inclinação pode ser representada em uma variedade de formas nas caixas de diálogo e em legendas no desenho. Uma inclinação positiva da tubulação indica que a tubulação está inclinada para baixo na direção do fluxo. Uma inclinação de tubulação negativa é uma inclinação adversa de tubulação que indica que a tubulação é inclinada para cima na direção do fluxo.
		  
 
 
		