Exemplo de Fresamento 2.5D parte 3: Criando as figuras

Este passo mostra como criar figuras de Furo e Cavidade Retangular.

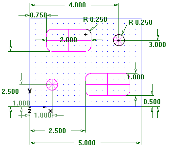
Polegadas:

Milímetros:

  1. Crie uma figura de Furo.
    1. Selecione guia Início > painel Programa da Peça > Figuras.
    2. No assistente de Nova Figura, selecione Furo na seção De Dimensões e clique em Avançar.
    3. Configure Diâmetro como 0.5 (12 mm), e clique em Avançar.
    4. Configure a posição central do furo como X 1.0 (25 mm) e Y 1.0 (25 mm), e clique em Avançar.

      Isso exibe a página Estratégias. Essa página controla os tipos de operações utilizadas para cortar a figura. As operações padrão para uma figura de Furo são pontear e furar. Caso o Furo apresente um chanfro, o padrão é cortar o chanfro com a operação de pontear.

    5. Aceite as configurações padrão de estratégia clicando em Avançar.

      A página Operações exibe um sumário das operações para cortar a figura, as ferramentas selecionadas automaticamente e os avanços e velocidades.

    6. No menu do botão Finalizar selecione a opção Finalizar.
  2. Crie uma figura de Cavidade Retangular.
    1. Selecione guia Início > painel Programa da Peça > Figuras.
    2. No assistente de Nova Figura, na seção De Dimensões, selecione Cavidade Retangular, e clique em Avançar.
    3. Aceite as dimensões padrão clicando em Avançar.
    4. Configure a posição da cavidade como X 0.75 (15 mm), Y 2.5 (60 mm), e Z 0 (0 mm), e clique em Avançar.

      A página Estratégias mostra que operações de desbaste e acabamento são criadas.

    5. Clique no botão Finalizar.
  3. Selecione guia Início > painel Programa da Peça > Figuras e crie um segundo Furo com diâmetro 0.5 (12 mm), posicionado em X=4 (95 mm) e Y=3 (75 mm).
  4. Selecione guia Início > painel Programa da Peça > Figuras e crie outra Cavidade Retangular com as mesmas dimensões que a primeira, porém posicionada em X=2.5 (55 mm), Y=0.5 (15 mm).

  5. Selecione Arquivo > Salvar, e salve a peça como fresamento.fm.