Reveja e modifique os valores dos parâmetros de cota da forma de corte de elementos de framing estrutural de aço em bobina laminado a quente.
Estas propriedades de tipo são criadas a partir do parâmetro de categoria da família de forma de corte do elemento.
Forma do corte | Parâmetros de cotas de forma disponíveis |
---|---|
Tubulação padrão
![]() |
D. Diâmetro: o diâmetro externo da forma de corte redonda. T Espessura do projeto de parede: a espessura do projeto perpendicular entre as superfícies interna e externa de uma forma de corte. t. Espessura nominal da parede: a distância perpendicular média entre a superfície interna e externa da forma de corte. y. Centroide horizontal: a distância entre o centroide da forma de corte para a extremidade esquerda ao longo do eixo horizontal. z. Centroide vertical: a distância entre o centroide da forma de corte na extremidade inferior ao longo do eixo vertical. |
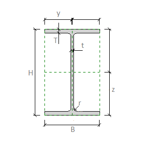
Flange paralelo de forma I
![]() |
B. Largura: a largura externa da forma de corte. H. Altura: a altura externa da forma de corte. T. Espessura do flange: a distância entre as superfícies externas do flange na forma de corte. t. Espessura da teia: a distância entre as superfícies externas da teia na forma de corte. r. Concordância da teia: o raio da concordância entre a teia e o flange. y. Centroide horizontal: a distância entre o centroide da forma de corte para a extremidade esquerda ao longo do eixo horizontal. z. Centroide vertical: a distância entre o centroide da forma de corte na extremidade inferior ao longo do eixo vertical. |
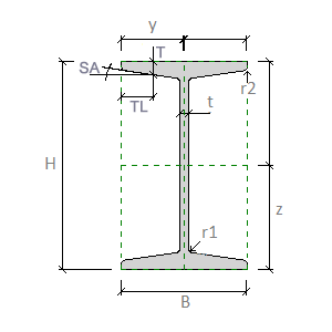
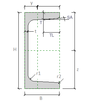
Flange paralelo com forma I
![]() |
B. Largura: a largura externa da forma de corte. H. Altura: a altura externa da forma de corte. T. Espessura do flange: a distância entre as superfícies externas do flange na forma de corte. TL.Localização da espessura do flange: a distância do final da flange inclinada até o local onde a espessura do flange é medida. SA.Ângulo do flange inclinado: o ângulo entre o plano do flange inclinado e o plano horizontal na forma do corte. t. Espessura da teia: a distância entre as superfícies externas da teia na forma de corte. r1. Concordância da teia: o raio da concordância entre a teia o e o flange. r2. Concordância do flange: o raio da concordância na extremidade de um flange na forma de corte. y. Centroide horizontal: a distância entre o centroide da forma de corte para a extremidade esquerda ao longo do eixo horizontal. z. Centroide vertical: a distância entre o centroide da forma de corte na extremidade inferior ao longo do eixo vertical. |
Flange largo com forma I
![]() |
B. Largura: a largura externa da forma de corte. H. Altura: a altura externa da forma de corte. T. Espessura do flange: a distância entre as superfícies externas do flange na forma de corte. t. Espessura da teia: a distância entre as superfícies externas da teia na forma de corte. r. Concordância da teia: o raio da concordância entre a teia e o flange. y. Centroide horizontal: a distância entre o centroide da forma de corte para a extremidade esquerda ao longo do eixo horizontal. z. Centroide vertical: a distância entre o centroide da forma de corte na extremidade inferior ao longo do eixo vertical. |
Flange paralelo de canal C
![]() |
B. Largura: a largura externa da forma de corte. H. Altura: a altura externa da forma de corte. T. Espessura do flange: a distância entre as superfícies externas do flange na forma de corte. t. Espessura da teia: a distância entre as superfícies externas da teia na forma de corte. r. Concordância da teia: o raio da concordância entre a teia e o flange. y. Centroide horizontal: a distância entre o centroide da forma de corte para a extremidade esquerda ao longo do eixo horizontal. z. Centroide vertical: a distância entre o centroide da forma de corte na extremidade inferior ao longo do eixo vertical. |
Flange inclinado de canal C
![]() |
B. Largura: a largura externa da forma de corte. H. Altura: a altura externa da forma de corte. T. Espessura do flange: a distância entre as superfícies externas do flange na forma de corte. TL.Localização da espessura do flange: a distância do final da flange inclinada até o local onde a espessura do flange é medida. SA.Ângulo do flange inclinado: o ângulo entre o plano do flange inclinado e o plano horizontal na forma do corte. t. Espessura da teia: a distância entre as superfícies externas da teia na forma de corte. r1. Concordância da teia: o raio da concordância entre a teia o e o flange. r2. Concordância do flange: o raio da concordância na extremidade de um flange na forma de corte. y. Centroide horizontal: a distância entre o centroide da forma de corte para a extremidade esquerda ao longo do eixo horizontal. z. Centroide vertical: a distância entre o centroide da forma de corte na extremidade inferior ao longo do eixo vertical. |
Ângulo L
![]() |
B. Largura: a largura externa da forma de corte. H. Altura: a altura externa da forma de corte. T. Espessura do flange: a distância entre as superfícies externas do flange na forma de corte. t. Espessura da teia: a distância entre as superfícies externas da teia na forma de corte. r1. Concordância da teia: o raio da concordância entre a teia o e o flange. r2. Concordância do flange: o raio da concordância na extremidade de um flange na forma de corte. r3.Concordância da alma superior: o raio da concordância na parte superior de uma alma na forma de corte. y. Centroide horizontal: a distância entre o centroide da forma de corte para a extremidade esquerda ao longo do eixo horizontal. z. Centroide vertical: a distância entre o centroide da forma de corte na extremidade inferior ao longo do eixo vertical. alpha. Ângulo do eixo principal: o ângulo de rotação entre os eixos principais os planos de referência da seção transversal. Isto está listado como um parâmetro de família de Análise estrutural. |
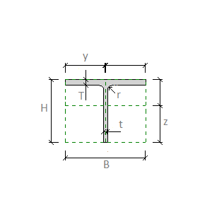
Flange paralelo com divisor I
![]() |
B. Largura: a largura externa da forma de corte. H. Altura: a altura externa da forma de corte. T. Espessura do flange: a distância entre as superfícies externas do flange na forma de corte. t. Espessura da teia: a distância entre as superfícies externas da teia na forma de corte. r. Concordância da teia: o raio da concordância entre a teia e o flange. y. Centroide horizontal: a distância entre o centroide da forma de corte para a extremidade esquerda ao longo do eixo horizontal. z. Centroide vertical: a distância entre o centroide da forma de corte na extremidade inferior ao longo do eixo vertical. |
Flange inclinado dividido I
![]() |
B. Largura: a largura externa da forma de corte. H. Altura: a altura externa da forma de corte. T. Espessura do flange: a distância entre as superfícies externas do flange na forma de corte. TL.Localização da espessura do flange: a distância do final da flange inclinada até o local onde a espessura do flange é medida. SA.Ângulo do flange inclinado: o ângulo entre o plano do flange inclinado e o plano horizontal na forma do corte. t. Espessura da teia: a distância entre as superfícies externas da teia na forma de corte. r1. Concordância da teia: o raio da concordância entre a teia o e o flange. r2. Concordância do flange: o raio da concordância na extremidade de um flange na forma de corte. y. Centroide horizontal: a distância entre o centroide da forma de corte para a extremidade esquerda ao longo do eixo horizontal. z. Centroide vertical: a distância entre o centroide da forma de corte na extremidade inferior ao longo do eixo vertical. |
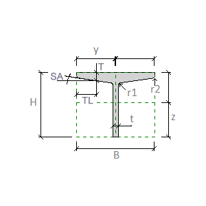
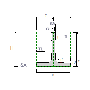
Tês estruturais
![]() |
B. Largura: a largura externa da forma de corte. H. Altura: a altura externa da forma de corte. TL.Localização da espessura do flange: a distância do final da flange inclinada até o local onde a espessura do flange é medida. SA.Ângulo do flange inclinado: o ângulo entre o plano do flange inclinado e o plano horizontal na forma do corte. t. Espessura da teia: a distância entre as superfícies externas da teia na forma de corte. tl.Localização da espessura da teia: a distância do final da teia inclinada até o local onde a espessura da teia é medida. sa.Ângulo da teia inclinada: o ângulo entre o plano da teia inclinada e o plano vertical na forma do corte. r1. Concordância da teia: o raio da concordância entre a teia o e o flange. r2. Concordância do flange: o raio da concordância na extremidade de um flange na forma de corte. r3.Concordância da alma superior: o raio da concordância na parte superior de uma alma na forma de corte. y. Centroide horizontal: a distância entre o centroide da forma de corte para a extremidade esquerda ao longo do eixo horizontal. z. Centroide vertical: a distância entre o centroide da forma de corte na extremidade inferior ao longo do eixo vertical. |