As cotas de croqui automáticas são desativadas por padrão. Elas são exibidas se houver ao menos uma cota legendada na família.
Observe nesta próxima imagem que há uma cota adicionada nesta geometria, mas a cota não tem uma legenda.

Nenhuma cota de croqui automática está visível.
Para ativar a visibilidade de cotas de croqui automáticas:
painel Gráficos
(Visibilidade/Gráficos) ou digite VG.
As cotas de croqui automáticas serão exibidas.

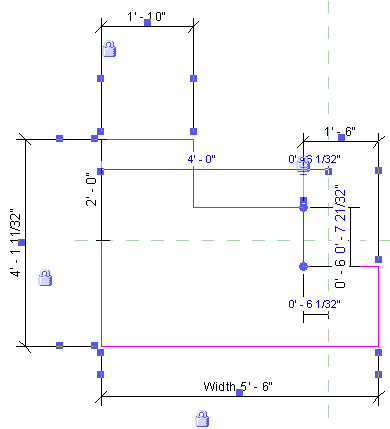
O Revit LT sabe onde cada linha desta geometria existe em relação aos planos de referência ou outras linhas de croqui.
Quando você adiciona cotas bloqueadas, elas substituem as cotas de croqui automáticas, como mostrado.
