Um identificador de chamada de detalhe é um elemento de anotação que marca a localização de uma chamada de detalhe na vista principal.
painel Configurações
menu suspenso Configurações adicionais e selecione Identificadores de detalhe.

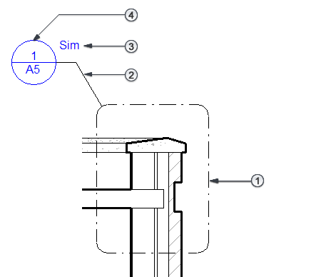
O identificador da chamada de detalhe consiste nas seguintes partes:
Balão da chamada de detalhe. A linha desenhada em torno da parte da vista principal para definir a área da chamada de detalhe.
Linha de chamada de detalhe Uma linha que conecta a extremidade de chamada de detalhe com a bolha de chamada de detalhe.
Legenda de referência. Somente para chamadas de detalhe de referência. O texto exibido em um identificador de chamada de detalhe para fornecer informações sobre a chamada de detalhe.
Cabeçalho de chamada de detalhe Um símbolo que identifica a chamada de detalhe. Quando você insere a chamada de detalhe em uma folha, a extremidade de chamada de detalhe exibe o número do detalhe e número da folha, por padrão.