При использовании стиля табличных форматов перекрестных ссылок в окне предварительного просмотра показано, как будет выглядеть перекрестная ссылка в чертеже.
Формат графического шрифта:
Отображение формата перекрестных ссылок с использование графического шрифта в стиле JIC или IEC. Параметр применяется к графическому шрифту независимо от режима нанесения позиционных обозначений, назначенного в свойствах проекта.
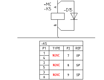
В следующих примерах представлены табличные перекрестные ссылки с использованием в табличном стиле формата графического шрифта. Значение "Наполнить ссылку данными" — "SP" для неиспользуемых дочерних (контактов).
![]() JIC |
![]() IEC |
Формат таблицы контактов:
Формат перекрестных ссылок с использованием значений типа перекрестных ссылок (NO, NC, NONC).
![]() JIC |
![]() IEC |
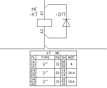
Формат соответствия графических образов:
Отображение формата перекрестных ссылок с использованием файла блока AutoCAD (.dwg) для представления типа контакта. Соответствие графических образов определяется в таблице _XREF_GRAPHICS в базе данных поиска в каталоге. Соответствующие графические образы для вставки ищутся в папках библиотек схем активного проекта.
![]() JIC |
![]() IEC |
Типовым контактом является тип контактов С-формы Он состоит из 2-х контактов — одного разомкнутого и одного замкнутого с общим номером вывода клеммы. Можно выбрать вставку обоих контактов Form C как двух отдельных графических образов или вместе, как один графический образ.
Пример с двумя графическими образами контакта С-формы
Обычный вывод находится с правой стороны рядом со столбцом ссылок и представлен в столбце Р2 таблицы.
![]() JIC |
![]() IEC |
Пример с одним графическим образом контакта С-формы
Обычный вывод находится с правой стороны рядом со столбцом ссылок и представлен в столбце Р2 таблицы.
![]() JIC |
![]() IEC |
Стиль таблицы перекрестных ссылок поддерживает определение заменяемых параметров и отображение их в названии таблицы. Некоторые команды Инструментарий AutoCAD Electrical учитывают данную возможность при изменении чертежа.
Удалить компонент |
При удалении компонента с таблицей перекрестных ссылок таблица также удаляется из чертежа. |
Переназначить позиционные обозначения компонентов |
При переназначении позиционных обозначений компонента (переназначение позиционных обозначений, перемещение компонента, перемещение цепи, редактирование компонента) таблица перекрестных ссылок обновляется в том случае, если позиционное обозначение входит в состав названия таблицы. |
Редактировать компонент |
При изменении заменяемого параметра для компонента с таблицей перекрестных ссылок название таблицы обновляется. |
Копировать назначение каталожных номеров |
При копировании другого номера по каталогу в родительский графический образ возможно обновление в реальном времени списка PINLIST, количества контактов и таблицы перекрестных ссылок. |
Режим комбинированных позиционных обозначений функциональной группы/места |
При изменении значений "Место" или "Функциональная группа" на уровне чертежа название таблицы перекрестных ссылок обновляется. |
Копировать цепь |
При копировании цепи с таблицей перекрестных ссылок название таблицы обновляется с учетом новых значений позиционных обозначений. |
Вставить компонент |
При вставке родительского компонента с таблицей перекрестных ссылок таблица вставляется в местположения атрибутов перекрестных ссылок (XREF и XREFNO). При вставке дочернего компонента таблица перекрестных ссылок для родительского компонента обновляется. |
Быстрое перемещение |
При быстром перемещении родительского компонента с таблицей перекрестных ссылок таблица также перемещается вдоль провода. |
Команды, не поддерживающие обновление перекрестных ссылок в реальном времени: