Перемещение существующей цепи

Перемещение цепи в новое местоположение и обновление всех связанных компонентов.

При перемещении цепи для большинства родительских компонентов, входящих в состав цепи, автоматически переназначают позиционные обозначения, поскольку чертеж настраивается на назначение позиционных обозначений, основанное на ссылках на компоненты. В процессе перемещения цепи изменяются местоположения ссылок на перемещенные компоненты. Связанные дочерние компоненты обновляются в соответствии с новыми позиционными обозначениями родительских компонентов, это относится и к ссылкам на другие чертежи проекта.

Прим.: Обновление позиционных обозначений проходит по-разному в зависимости от конфигураций назначения позиционных обозначений по умолчанию.

Изменение расположения цепи

  1. Если AEGS не является активным проектом, в Диспетчере проектов щелкните AEGS правой кнопкой мыши и выберите "Активизировать".
  2. В Диспетчере проектов дважды щелкните AEGS для открытия списка чертежей.
  3. В Диспетчере проектов, в списке чертежей проекта дважды щелкните на записи AEGS02.dwg.
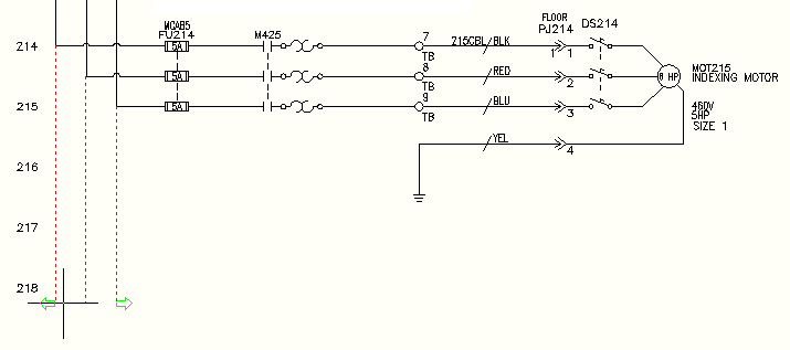
  4. Увеличьте масштаб изображения нижнего левого угла чертежа. Убедитесь в том, что отображается цепь 3-фазного двигателя у линейной ссылки 215.

    У этой цепи имеются позиционные обозначения компонентов.

    • “FU215” на трехполюсном предохранителе
    • “215CBL” на кабеле, состоящем из нескольких проводников
    • “DS215” на разъединителе
    • “MOT216” на двигателе
  5. Выберите вкладку "Схема"панель "Редактирование компонентов"раскрывающийся список "Цепь""Переместить цепь". найти
  6. Ответьте на запросы, как указано далее:

    Выбор объектов:

    Выберите с помощью рамки цепь на линейной ссылке 215 для выбора соединительного провода и узлов, которые связаны с вертикальной шиной, щелкните правой кнопкой мыши.

    Нажмите F9 для включения режима шаговой привязки.

    Укажите базовую точку или перемещение:

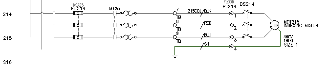
    Укажите базовую точку, а затем — точку на линейной ссылке 214

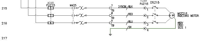
    Выполняется перемещение цепи, переназначение позиционных обозначений соответствующих компонентов и обновление перекрестных ссылок на основании новой линейной ссылки. Значения каждого из перечисленных позиционных обозначений родительских компонентов уменьшаются на единицу. Например, предохранитель FU215 теперь обозначен FU 214.

  7. В диалоговом окне "Обновить связанные компоненты?" нажмите кнопку "Да-Обновить".

    Ссылки связанных дочерних компонентов на активном чертеже обновляются в соответствии с новыми позиционными обозначениями родительских компонентов.

  8. Нажмите кнопку "ОК" в диалоговом окне "Обновить другие чертежи?".

    Обновляются связанные дочерние компоненты и ссылки компоновки монтажной панели на других чертежах, которые должны прийти в соответствие с родительскими компонентами на перемещенной цепи.

  9. В ответ на запрос о сохранении чертежа нажмите кнопку "OK".
  10. Щелкните вкладку "Проект"панель "Другие инструменты"раскрывающийся список "Переход по ссылке""Переход по ссылке". найти
  11. Выберите компонент FU214 на чертеже.

    В диалоговом окне "Переход" отображаются три ссылки на листе 2 и одна ссылка на листе 9.

  12. Дважды щелкните на ссылке на листе 9.

    Переход по ссылке открывает чертеж компоновки монтажной панели и увеличивает масштаб изображения физического представления данного трехполюсного предохранителя. Обратите внимание на то, что физическое представление позиционного обозначения блока предохранителя было обновлено вследствие перемещения цепи.

  13. Дважды щелкните на первой записи в диалоговом окне для возврата к исходному чертежу AEGS02.dwg.
  14. Нажмите кнопку "Закрыть".

Перемещение цепи двигателя на один промежуток между линейными ссылками вверх позволило освободить немного больше места для добавления под ней новой цепи. Следующий этап состоит в удлинении 3-фазной шины вниз, до линейной ссылки 218, и далее вправо для начала формирования цепи нового двигателя.

Удлинение 3-фазной шины

  1. Щелкните вкладку "Схема"панель "Редактировать провода/номера проводов""Обрезать провод". найти
  2. Ответьте на запросы, как указано далее:

    Направляющая/Секрамка/Згрн/<Выберите провод для операции ОБРЕЗАТЬ>:

    Щелкните мышью на нижних концах трех висячих проводов; щелкните правой кнопкой мыши

    Можно вставить вертикальную или горизонтальную 3-фазную проводку. При обнаружении на траектории трехфазной проводки каких-либо компонентов, ее провода разрываются с последующим восстановлением соединений с компонентами. При пересечении какой-либо существующей проводки вставляются петли пересечения проводов.

  3. Щелкните вкладку "Схема"панель "Вставить провода/номера проводов""Многопроводная шина". найти
  4. В диалоговом окне "Шина, содержащая несколько проводов" задайте:

    Интервал по горизонтали:  0.5

    Интервал по вертикали:  0.5

    Начать с:  Другая шина (несколько проводов)

    Количество проводов:  3

  5. Нажмите кнопку "ОК".
  6. Ответьте на запросы, как указано далее:

    Выберите существующий провод для начала соединения многофазной шины:

    Укажите нижний угол крайней левой вертикальной шины на линейной ссылке 214, как показано на иллюстрации

    Выберите существующий провод для начала соединения многофазной шины: куда

    Перетащите курсор вниз к линейной ссылке 218.

    Временная графика отображает предлагаемую трассу для удлиненной шины.

  7. Нажмите кнопку мыши для создания проводов.
  8. Щелкните правой кнопкой мыши для завершения выполнения команды.

    Выполняется вставка на чертеж 3-фазной шины и графических образов узлов соединения проводов.