Коды сегментов линий

Свойство Пример Описание

Точка повтора: код, используемый для соединения активной фигуры сегментом с последней точкой или точкой с заданным идентификатором.

EP1 RPN

EP1 RPN101

EP1 – имя фигуры; выполняется продолжение активной фигуры при соответствии имени. RPN представляет собой код "Точка повтора". При отсутствии точки он выполняет соединение от предыдущей к текущей точке и вставляет сегмент перед текущей точкой. Код EP1 RPN101 соединяет текущую точку с указанной точкой.

Точка соединения: код, используемый для создания новой фигуры (для того же объекта) с построением одного линейного сегмента из текущей точки в точку с указанным идентификатором. За кодом "Точка соединения" следует идентификатор заданной точки.

EP1 B CPN101

В этом примере в текущей точке создается новая фигура, а также строится новая фигура с именем EP1.CPN101, состоящая из одного линейного сегмента, проходящего до точки 101. Имя фигуры можно изменить с помощью команды "Свойства фигуры".

Код "Точка соединения" всегда создает фигуру, состоящую из одного линейного сегмента. На следующей иллюстрации представлен пример кода "Точка соединения":

Прямоугольник: код, используемый для смещения сегмента, идущего в текущую точку, по заданному числовому значению.

BLD1 <Прямоугольник>40

Положительное число задает смещение вправо, а отрицательное число – смещение влево по отношению к направлению линейного сегмента, входящего в текущую точку. Если код "Прямоугольник" не сопровождается числовым значением, то этот код замыкает фигуру, выполняя пересечение перпендикулярных линий между предыдущим сегментом, входящим в текущую точку, и первым сегментом фигуры.

Прим.:

Для кода "Прямоугольник" без числа требуется, чтобы для текущей фигуры было предварительно задано не менее трех точек.

На следующей иллюстрации показан код "Прямоугольник" с заданным значением 40:

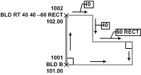
Правый поворот: код, используемый вместе с кодом сегмента линии; он позволяет вставить в фигуру дополнительные вершины по перпендикуляру либо по удлинению (прямолинейные смещения).

BLD1 RT X10.1 5 -12.2 -5 -12.2

Продолжает активную фигуру "BLD1" до текущей точки, удлиняет текущий сегмент на 10,1 единиц, а затем строит перпендикулярные сегменты для каждого значения.

После кода <Правый поворот> идут значения смещения либо коды <Удлинить> или <Прямоугольник>. Положительные числа указывают на излом вправо, а отрицательные числа – на излом влево.

Прим.:

Используйте синтаксис "<Удлинить><Значение>", чтобы выполнить удлинение в текущем направлении: вперед с указанием положительного числа либо назад с указанием отрицательного числового значения.

Прим.:

Используйте код <Прямоугольник> в конце кода <Правый поворот>. При этом выполняется замыкание фигуры к начальному сегменту в виде пересечения перпендикуляров от текущего линейного сегмента.

На следующей иллюстрации представлены примеры кодов "Правый поворот" и "Прямоугольник":

Удлинить: код, который используется для удлинения линейного сегмента из текущей точки при положительном значении или построения более короткого линейного сегмента при отрицательном значении.

BLD1 X15.5

"BLD1" продолжает активную фигуру, "X" – код "Удлинить", а 15,5 – значение, на которое удлиняется линейный сегмент фигуры, проходящий через текущую точку.

На следующих иллюстрациях показаны примеры кодов "Удлинить", "Правый поворот" и "Прямоугольник":