Использование примечаний и таблиц для добавления инструкций по сгибу и высечке.

Аннотации для сгиба
Размер сгиба добавляет сведения об изготовлении на осевые линии сгиба листового металла. Примечания для сгиба связаны с видом чертежа.
В таблице перечислены все свойства сгибов в виде развертки детали из листового металла.
Теги сгиба связывают строки в таблице сгибов с геометрией вида. После вставки таблицы сгибов в чертеж теги сгибов добавляются автоматически на выбранный вид чертежа. Формат тегов сгибов определяется стилем размера, по умолчанию выноска отсутствует. Чтобы добавить выноску для теги сгибов, перетащите текст тега сгиба от исходного положения.
Примечания:
- Каждая отдельная осевая линия сгиба считается отдельным объектом сгиба на чертеже (как с точки зрения примечаний для сгиба, так и таблиц сгибов). В модели листового металла число осевых линий сгиба не совпадает с числом отдельных элементов, получаемых посредством сгибов. (При создании таких элементов как фланец по контуру, ролик, лофтированный фланец и отбортовка задаются несколько осевых линий сгиба для одной операции обработки.)
- Элементы ролика и косметической осевой линии автоматически объединяются в одну таблицу сгибов.
- Осевые линии роликов не дают информации о поправке на изгиб и направлении.
- В зависимости от примененных во время создания атрибутов, косметические осевые линии могут формировать пустые поля или текстовые строки с пользовательским форматированием в таблицах сгибов и примечаниях.
- Можно изменить последовательность обозначений сгибов, откройте деталь из листового металла, отредактируйте развертку и измените порядок сгибов.
- Если порядок сгибов был изменен, то может потребоваться сортировка последовательности обозначений сгибов в таблице сгибов с помощью функциональных возможностей редактирования таблиц.
- Направление сгиба в таблице сгибов соответствует направлению сгибов в выбранном виде. Если в качестве источника для таблицы сгибов выбрать файл детали из листового металла, то направление сгиба по умолчанию отобразится в таблице сгибов. Чтобы обратить направление сгиба, отредактируйте таблицу сгибов. Для этого щелкните правой кнопкой мыши столбец "Направление сгиба" и выберите в контекстном меню пункт "Обратное направление".
- Чтобы исправить направление сгиба в старых чертежах, перетащите размер сгиба или таблицу сгибов в новое положение.
- Таблицы сгибов не связаны с видом чертежа. Таблица сгибов не удаляется, если удалить вид чертежа, выбранный при создании таблицы сгибов.
- Если выбранный файл для листового металла не содержит развертки или содержит развертку, созданную в версии Inventor 2010 или более ранней с помощью средства построения развертки DataM, файл не распознается как допустимый источник данных таблицы.
-
Таблицы сгибов для материалов из листового металла — предоставляются значения поправок на сгиб для конкретных радиусов и углов сгиба при данной толщине материала, причем отсутствует связь с таблицами сгибов на чертежах.
Аннотации для высечки
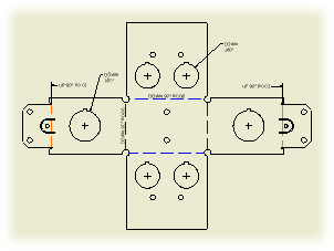
Размер высечки включает данные, относящиеся к высечке, например, идентификатор высечки, угол, направление, глубину высечки, примечание по качеству высечки и так далее. Стиль по умолчанию для размеров высечки устанавливается на вкладке "Размеры и выноски" панели Размерный стиль.
Перед созданием таблицы высечки необходимо восстановить центры высечки. Центры высечки обозначаются с помощью маркеров центра на виде чертежа. Если создать таблицу отверстий на основе видов и включить в нее восстановленные центры высечки, в таблицу отверстий будут включены все видимые маркеры высечки в качестве отдельных строк. На виде чертежа будут созданы соответствующие теги.
Для создания таблицы высечки используйте команду "Таблица отверстий". Если необходимо, измените фильтры по умолчанию в разделе "Стиль таблицы отверстий", чтобы по умолчанию включать в таблицу отверстий восстановленные центры высечки.
Примечания:
- Направление высечки в примечаниях для высечки и таблицах определяется в зависимости от вида чертежа. Если указано направление вниз в размере высечки, относящемся к виду спереди, то для той же высечки на виде сзади оно будет направлено вверх.
- Чтобы исправить направление высечки в старой таблице высечки, перетащите таблицу высечки в новое положение.
- Отображение элементов высечки на виде чертежа соответствует представлению, выбранному в модели. Если элементы высечки полностью сформированы в модели, видимые и скрытые ребра модели отображаются на виде чертежа.
- Центры высечки не могут выгружаться отдельно из вида чертежа. Единственный способ отмены восстановления центра высечки — редактирование вида и отмена выбора параметра "Восстановить центры высечки". Все аннотации, прикрепленные к маркерам центров высечки, будут удалены.
- Настройте видимость центров высечки с помощью параметра видимости в контекстном меню. Чтобы отобразить скрытые центры высечки, выберите в контекстном меню вида чертежа команду "Показать скрытые аннотации".
- Маркеры центров, связанные с центрами высечки, невозможно переместить или повернуть, однако размер расширения маркера центров можно изменить отдельно путем перетаскивания.
- Когда на видах чертежа развертки отображаются центры высечки, маркеры центров добавляются, перемещаются и удаляются в соответствии с изменениями в исходном файле листового металла.
- Неиспользованные центры высечки на эскизе элемента высечки не отображаются как восстановленные центры высечки.
- Форматирование по умолчанию для восстановленных центров высечки задается в активном стиле. Чтобы изменить стиль центров высечки, откройте панель "Стили объектов по умолчанию" и измените настройку параметров "Видимость упрощенного изображения" и "Скрытие упрощенного изображения".
Альтернативные единицы измерения в примечаниях для сгиба и высечки
Размеры сгибов и высечек могут отображать значения в альтернативных единицах. Настройте отображение двойных единиц измерения в диалоговом окне "Размерный стиль" на вкладке "Альтернативные единицы".
Для того чтобы в таблицах сгибов и высечек отобразить значения размеров в альтернативных единицах, добавьте в таблицу столбцы альтернативных единиц, используя диалоговое окно "Выбор столбцов".
Прим.: Если выбран формат двойных единиц, значения точности и допуска также отображаются в двойном формате.