使用图形交互参考格式样式时,预览图像将变化以显示交互参考在图形中的外观。
使用 JIC-样式或 IEC-样式的图形字体显示交互参考格式。设置将应用到图形字体,而不考虑在项目特性中指定的标记模式。如果没有交互参考来替代在插入的元件上指定的交互参考,则将从图形特性取得此设置。
![]() JIC |
![]() IEC |
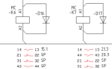
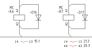
下例将显示图形字体格式中符号旁边的交互参考,而未使用的辅项(触点)则显示为独立参考。“用于填充参考的内容”值为“SP”。
![]() JIC |
![]() IEC |
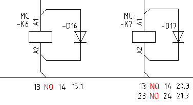
使用交互参考类型值(NO、NC、NONC)显示交互参考格式。
![]() JIC |
![]() IEC |