将回路移动到新位置,并更新所有相关的元件。
移动回路时,因为图形是针对基于参考来标记元件而设置的,所以回路中包含的大多数主元件将自动重新标记。在移动回路的过程中,您可以更改被移动元件的参考位置。相关的辅元件将更新以匹配新的主标记,包括项目中其他图形上的参考。
移动回路的位置

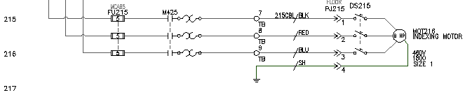
此回路具有以下元件标记


。 查找
选择对象:
窗选线参考 215 上的回路以捕获与垂直母线相连的连接导线和点,然后单击鼠标右键

按 F9 键打开 SNAP。
指定基点或位移:
选择基点,然后在线参考 214 上选择一个点
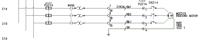
回路被移动,受影响的元件被重新标记,交互参考也根据新的线参考进行了更新。列出的每个主元件标记都将减一。例如,熔断器 FU215 将变成 FU214。


活动图形上的相关辅参考将更新,以匹配刚刚重新标记的主元件。
其他图形上的相关辅元件和面板布局参考将更新,以与被移动回路中的主元件相匹配。


。 查找
“浏览”对话框将显示表 2 中的三个参考和表 9 中的一个参考。
浏览器将转到面板布局图,并放大此三极熔断器的物理表达。请注意,由于回路已被移动,所以熔断器块标记的物理表示已更新。
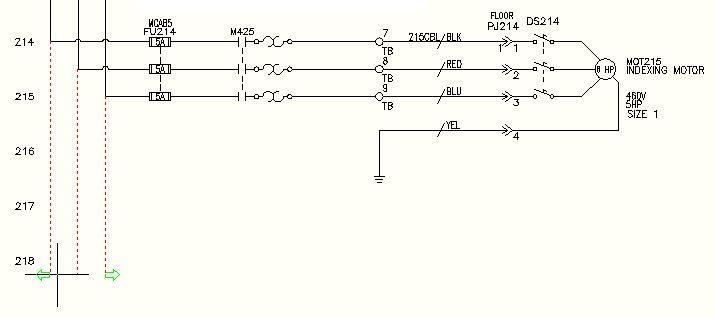
将电动机回路向上移动一个线参考间距,留出多一点空间,以便在该回路下方添加新回路。下一步是将三相母线向下延伸至线参考 218,同时向右延伸,开始构建新的电动机回路。
延伸三相母线

。 查找
栏选(F)/交叉(C)/范围缩放(Z)/<选择要修剪的导线>:
单击三条悬垂导线的底端,然后单击鼠标右键

可以插入垂直或水平的三相接线。三相导线会自动打断,然后重新连接到在其路径中找到的基本元件。如果它与现有导线交叉,将插入导线交叉隙缝。

。 查找
水平间距: 0.5
垂直间距: 0.5
开始于: 其他母线 (多导线)
导线数: 3

选择用于开始多相母线连接的现有导线:
选择线参考 214 上最左侧的垂直母线的下角,如图所示

选择用于开始多相母线连接的现有导线: 到
将光标向下拉到线参考 218 处。
临时图形将显示延伸母线的计划路径。

三相母线和接线点符号即被插入到图形中。
