此部件可用于叠加现有道路的一侧,并将一条或多条行车道添加到加铺转角周围的边缘。
它类似于叠加加宽匹配坡度 1 部件,不同之处在于它从现有或计划的路缘排水沟边坡顶点向内延伸。

附着点位于车道加宽部分的外侧边缘上。此部件通常从现有或计划的路缘和边沟的凸缘向内插入,或从加铺助转角周围铺装层的外侧边缘向内插入。
注意:除非另有说明,否则所有标注均以米或英尺为单位。除非指明是带有“%”符号的百分比坡度,否则所有坡度均为“水平宽度比垂直高度”格式(例如,4:1)。
|
参数 |
描述 |
类型 |
默认值 |
|---|---|---|---|
|
侧 |
指定要将此部件添加到附着点的哪一侧。 |
布尔 |
左/右 |
|
加宽宽度 |
加宽车道的宽度。 |
正数 |
3.6 米 12.0 英尺 |
|
叠加宽度 |
铺装层叠加的宽度。 |
正数 |
3.6 米 12.0 英尺 |
|
坡度 |
叠加和加宽的坡度。 |
数字 |
- 2% |
|
铺装 1 深度 |
用于车道加宽的铺装 1 层的厚度;零表示忽略。 |
正数 |
0.025 米 0.083 英尺 |
|
铺装 2 深度 |
用于车道加宽的铺装 2 层的厚度;零表示忽略。 |
正数 |
0.025 米 0.083 英尺 |
|
基层深度 |
用于车道加宽的基层的厚度。 |
正数 |
0.100 米 0.333 英尺 |
|
底基层深度 |
用于加宽车道的底基层的厚度。 |
正数 |
0.300 米 1.0 英尺 |
本部分列出了此部件中可以被映射到一个或多个目标对象(例如图形中的曲面、路线或纵断面对象)的参数。有关详细信息,请参见指定道路目标。
|
参数 |
描述 |
状态 |
|---|---|---|
|
现有曲面 |
定义现有道路的曲面的名称。以下对象类型可用作用于指定此曲面的目标:曲面。 |
必需 |
|
加宽偏移 |
可用于替代固定的“加宽宽度”值,并将加宽部分的内侧边缘连接到路线。以下对象类型可用作用于指定此偏移的目标:路线、多段线、要素线或测量地物。 |
可选 |
|
偏移叠加 |
可用于替代“叠加宽度”值,并将叠加部分的内侧边缘连接到路线。以下对象类型可用作用于指定此偏移的目标:路线、多段线、要素线或测量地物。 |
可选 |
|
叠加纵断面 |
可用于替代“坡度”值,并将叠加部分内侧边缘的高程连接到纵断面,以生成经过计算的坡度。以下对象类型可用作用于指定此高程的目标:纵断面、三维多段线、要素线或测量地物。 |
可选 |
|
参数 |
描述 |
类型 |
|---|---|---|
|
百分比坡度 |
在现有曲面上计算出的从“采样点”到“插入点”的坡度 |
数字 |
附着点将确定加宽部分外侧边缘的偏移和高程。加宽部分内侧边缘以及叠加部分内侧边缘的位置将使用给定的宽度和坡度来确定。路线可用于替代给定的数值宽度。如果给定了叠加纵断面,则将计算叠加部分内侧边缘处的纵断面高程与附着点之间的坡度。
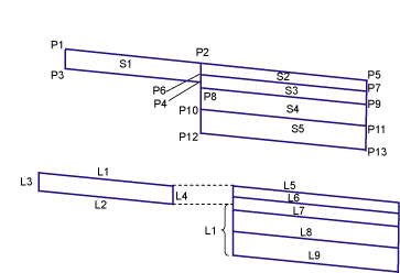
下图显示了叠加偏移纵断面的情况。(如果给定了叠加纵断面,则将计算叠加部分内侧边缘处的纵断面高程与附着点之间的坡度。)

下图显示了无叠加偏移纵断面的情况。

请务必注意,此部件从左侧到右侧的坡度是相同的。同样,相同的坡度也应用于所有下表面。
最后,如果附着了叠加纵断面,则必须将垂直连接 (a) 从“叠加偏移”添加到目标 (EG) 曲面,(b) 从叠加部分的端点以及加宽部分的起始处添加到目标 (EG) 曲面,以及 (c) 沿(跟踪)目标 (EG) 曲面连接在两点之间添加连接。
由此造型形成的区域将被编码为下面编码图中的“叠加”(S1)。
叠加区域指叠加顶部与现状地面之间的区域,其深度可能不统一。
在布局模式中,此部件将被附着到任一便利的点。此部件将按给定的宽度和坡度显示。在建模模式中,造型将调整到由现有曲面和运行时逻辑路线和纵断面定义的实际条件。
下表列出了此部件的已指定了代码值的点、连接和造型代码。此部件的未指定代码值的点、连接或造型代码不包含在此表中。
| 点、连接或造型 | 代码 | 描述 |
|---|---|---|
| P5 | ETW | 完工坡面上的加宽车道外侧边缘 |
| P7 | ETW_Pave1 | 铺装 1 曲面上的加宽车道外侧边缘 |
| P9 | ETW_Pave2 | 铺装 2 曲面上的加宽车道外侧边缘 |
| P11 | ETW_Base | 基准曲面上的加宽车道外侧边缘 |
| P13 | ETW_Sub | 底基层曲面上的加宽车道外侧边缘 |
| L1、L5 | Top, Pave | 完工坡面曲面 |
| L2 | Overlay | “现有曲面”上的叠合连接。请注意,点 P3 与 P4 之间可能存在多个连接。 |
| L6 | Pave1 | |
| L7 | Pave2 | |
| L8 | Base | |
| L9 | SubBase, Datum | |
| L10 | Datum | |
| S1 | Overlay | 叠加与现有车道之间的区域 |
| S2 | Pave1 | |
| S3 | Pave2 | |
| S4 | Base | |
| S5 | SubBase |
