![]()
建议值:
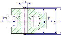
d = (0.2 -0.3) D
D 1 = (1.5 - 2) D - 对于钢和铸铁
D 1 = 2.5 D - 对于灰口铸铁
销有效长度
销有效长度 l f 是总长度减去倒角和圆角部分的长度之后的长度。有效长度通常承载载荷。
公式
剪切应力校核
![]()
接触压力校核
![]()
公制单位中的符号的解释:
| τ | 剪切应力 [MPa]。 |
τ A | 许用剪切应力 [MPa]。 |
d | 销直径 [mm]。 |
p 1 | 拉杆的压力 [MPa]。 |
p 2 | 轴套的压力 [MPa]。 |
p 1A | 轴套的许用压力 [MPa]。 |
p 2A | 拉杆的许用压力 [MPa]。 |
D | 拉杆直径 [mm]。 |
D 1 | 套管直径 [mm]。 |
英制单位中的符号的解释:
| τ | 剪切应力 [psi] |
τ A | 许用剪切应力 [psi] |
d | 销直径 [in] |
p 1 | 拉杆的压力 [psi] |
p 2 | 轴套的压力 [psi] |
p 1A | 轴套的许用压力 [psi] |
p 2A | 拉杆的许用压力 [psi] |
D | 拉杆直径 [in] |
D 1 | 轴套直径 [in] |