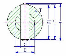
径向销生成器

建议值:
d = (0.2 -0.3) D
D 1 = (1.5 - 2) D - 对于钢和铸铁
D 1 = 2.5 D - 对于灰口铸铁
销有效长度
销有效长度 l f 是总长度减去倒角和圆角部分的长度之后的长度。有效长度通常承载载荷。
公制单位公式
弯曲应力

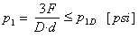
杆压力

U 形夹压力

剪切应力


其中:
| | F | 力 [N] |
| | σ 0 | 弯曲应力 [MPa] |
| | σ 0D | 许用弯曲应力 [MPa] |
| | M 0 | 弯矩 [N mm] |
| | W 0 | 弯曲截面模量 [mm 3 ] |
| | τ | 剪切应力 [MPa] |
| | τ D | 许用剪切应力 [MPa] |
| | d | 销直径 [mm] |
| | p 1 | 杆压力 [MPa] |
| | p 2 | U 形夹压力 [MPa] |
| | p 1D | 杆的许用压力 [MPa] |
| | p 2D | U 形夹的许用压力 [MPa] |
| | b | 杆宽度 [mm] |
| | a | U 形夹臂宽 [mm] |
| | D | 轴直径 [mm] |
英制单位公式
弯曲应力

杆压力

U 形夹压力

剪切应力


其中:
| | F | 力 [lb] |
| | σ 0 | 弯曲应力 [psi] |
| | σ 0D | 许用弯曲应力 [psi] |
| | M 0 | 弯矩 [ln ft] |
| | W 0 | 弯曲截面模量 [in 3 ] |
| | τ | 剪切应力 [psi] |
| | τ D | 许用剪切应力 [psi] |
| | d | 销直径 [in] |
| | p 1 | 杆压力 [psi] |
| | p 2 | U 形夹压力 [psi] |
| | p 1D | 杆的许用压力 [psi] |
| | p 2D | U 形夹的许用压力 [psi] |
| | b | 杆宽度 [in] |
| | a | U 形夹臂宽 [in] |
| | D | 轴直径 [in] |