
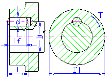
建议值
d = (0.12 - 0.25) D
l = (1 - 1.5) D
销有效长度
销有效长度 l f 是总长度减去倒角和圆角部分的长度之后的长度。有效长度通常承载载荷。
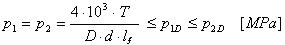
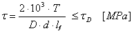
公制单位公式
传递的转矩
![]()
剪切应力校核
![]()
接触压力校核
![]()
其中:
P | 传递的功率 [kW] | |
n | 速度 [rpm] | |
T | 转矩 [Nm] | |
| τ | 剪切应力 [MPa] | |
τ A | 许用剪切应力 [MPa] | |
d | 销直径 [mm] | |
p 1 | 轴的压力 [MPa] | |
p 2 | 轮毂的压力 [MPa] | |
p 1A | 轴的许用压力 [MPa] | |
p 2A | 轮毂的许用压力 [MPa] | |
D | 轴直径 [mm] | |
D 1 | 轮毂直径 [mm] | |
l f | 销有效长度 [mm] |
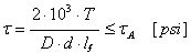
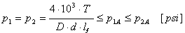
英制单位公式
传递的转矩
![]()
剪切应力校核
![]()
接触压力校核
![]()
其中:
P | 传递的功率 [HP] | |
n | 速度 [rpm] | |
T | 转矩 [lb ft] | |
| τ | 剪切应力 [psi] | |
τ A | 许用剪切应力 [psi] | |
d | 销直径 [in] | |
p 1 | 轴的压力 [psi] | |
p 2 | 轮毂的压力 [psi] | |
p 1A | 轴的许用压力 [psi] | |
p 2A | 轮毂的许用压力 [psi] | |
D | 轴直径 [in] | |
D 1 | 轮毂直径 [in] | |
l f | 销有效长度 [in] |