![]()
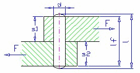
销有效长度
销有效长度 l f 是总长度减去倒角和圆角部分的长度之后的长度。有效长度通常承载载荷。
公式
剪切应力校核
![]()
接触压力校核
![]()
公制单位中的符号的解释:
| τ | 剪切应力 [MPa] |
τ A | 许用剪切应力 [MPa] |
d | 销直径 [mm] |
p 1 | 顶板的压力 [MPa] |
p 2 | 底板的压力 [MPa] |
p 1A | 顶板的许用压力 [MPa] |
p 2A | 底板的许用压力 [MPa] |
s 1 | 顶板厚度 [mm] |
s 2 | 底板厚度 [mm] |
英制单位中的符号的解释:
| τ | 剪切应力 [psi] |
τ A | 许用剪切应力 [psi] |
d | 销直径 [in] |
p 1 | 顶板的压力 [psi] |
p 2 | 底板的压力 [psi] |
p 1A | 顶板的许用压力 [psi] |
p 2A | 底板的许用压力 [psi] |
s 1 | 顶板厚度 [in] |
s 2 | 底板厚度 [in] |