详图索引标记是注释图元,用于标记父视图中详图索引的位置。
 “设置”面板
“设置”面板  “其他设置”下拉列表,然后选择“详图索引标记”。
“其他设置”下拉列表,然后选择“详图索引标记”。 
  
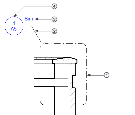
详图索引标记由以下部分组成:
 详图索引编号。围绕父视图部分绘制的线,用于定义详图索引区域。
 
	 详图索引编号。围绕父视图部分绘制的线,用于定义详图索引区域。 
   引线。将详图索引标头连接到详图索引编号的线。
 
	 引线。将详图索引标头连接到详图索引编号的线。 
   参照标签。仅用于参照详图索引。显示在详图索引标记中的文字提供有关详图索引的信息。
 
	 参照标签。仅用于参照详图索引。显示在详图索引标记中的文字提供有关详图索引的信息。 
   详图索引标头。标识详图索引的符号。在将详图索引放在图纸上时,详图索引标头中默认显示相应的详图编号和图纸编号。
 
	 详图索引标头。标识详图索引的符号。在将详图索引放在图纸上时,详图索引标头中默认显示相应的详图编号和图纸编号。