查看和修改其他钢结构框架图元的剖面形状尺寸标注参数值。
这些属性创建自图元的“剖面形状”族类别参数。
| 剖面形状 | 可用的形状尺寸标注参数 |
|---|---|
矩形栏
![]() |
B. 宽度:剖面形状的外部宽度。 H. 高度:剖面形状的外部高度。 y. 质心水平:沿水平轴从剖面形状质心到左端的距离。 z. 质心垂直:沿垂直轴从剖面形状质心到下端的距离。 |
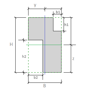
矩形截面
![]() |
B. 宽度:剖面形状的外部宽度。 H. 高度:剖面形状的外部高度。 h1.顶部截面高度:矩形截面剖面形状顶部的剖切高度。 b1.顶部截面宽度:矩形截面剖面形状顶部的剖切宽度。 h2.底部截面高度:矩形截面剖面形状顶部的剖切高度。 b2.底部截面宽度:矩形截面剖面形状顶部的剖切宽度。 y. 质心水平:沿水平轴从剖面形状质心到左端的距离。 z. 质心垂直:沿垂直轴从剖面形状质心到下端的距离。 |
圆形栏
![]() |
D. 直径:圆形剖面形状的外部直径。 y. 质心水平:沿水平轴从剖面形状质心到左端的距离。 z. 质心垂直:沿垂直轴从剖面形状质心到下端的距离。 |
T 型钢
![]() |
B. 宽度:剖面形状的外部宽度。 H. 高度:剖面形状的外部高度。 h1.悬臂高度:剖面形状中悬臂翼缘的高度。 b1.悬臂长度:剖面形状中悬臂翼缘的长度。 y. 质心水平:沿水平轴从剖面形状质心到左端的距离。 z. 质心垂直:沿垂直轴从剖面形状质心到下端的距离。 |
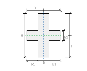
十字形
![]() |
B. 宽度:剖面形状的外部宽度。 H. 高度:剖面形状的外部高度。 h1.悬臂高度:剖面形状中悬臂翼缘的高度。 b1.悬臂长度:剖面形状中悬臂翼缘的长度。 y. 质心水平:沿水平轴从剖面形状质心到左端的距离。 z. 质心垂直:沿垂直轴从剖面形状质心到下端的距离。 |
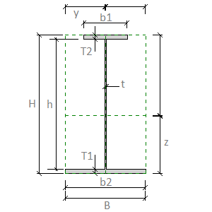
工字型焊接(堞形和焊接钢)
![]() |
B. 宽度:剖面形状的外部宽度。 H. 高度:剖面形状的外部高度。 T2. 顶部翼缘厚度:堞形或焊接图元剖面形状中的顶部翼缘的外表面之间的距离。 b1. 顶部翼缘宽度:堞形或焊接图元剖面形状中的顶部翼缘的外部宽度。 T1. 底部翼缘厚度:堞形或焊接图元剖面形状中的底部翼缘的外表面之间的距离。 b2. 底部翼缘宽度:堞形或焊接图元剖面形状中的底部翼缘的外部宽度。 t. 腹板厚度:剖面形状中的腹板的外表面之间的距离。 h. 腹板高度:剖面形状中的翼缘之间的距离(沿腹板)。 y. 质心水平:沿水平轴从剖面形状质心到左端的距离。 z. 质心垂直:沿垂直轴从剖面形状质心到下端的距离。 |