關於選取製圖標準 (AutoCAD Mechanical 工具集)

AutoCAD Mechanical 工具集 會對由製圖標準控制的所有設定進行群組,並將它們儲存至稱為標準的紀要中。

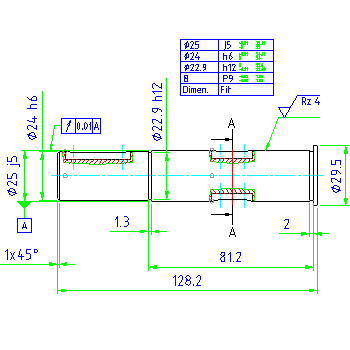
AutoCAD Mechanical 工具集 包含八個此類紀要 (ANSI、BSI、CSN、DIN、GB、ISO、JIS 和 GOST),並將每個紀要規劃為與一種製圖標準相符。這些設定可控制 AutoCAD Mechanical 工具集 的內建工具如何建立幾何圖形。因此,AutoCAD Mechanical 工具集 被認為是以標準為導向的產品。下圖展示了將標準設定為 DIN 時所建立的軸的圖面。請注意註解遵循 DIN 標準的方式。

預設製圖標準

由於 AutoCAD Mechanical 工具集 是以標準為導向的,因此為圖面指定製圖標準至關重要。建立圖面時,AutoCAD Mechanical 工具集 會自動為圖面指定製圖標準。

如果開啟 AutoCAD 圖面或使用 AutoCAD 樣板 (.dwt) 建立圖面,AutoCAD Mechanical 工具集 會為圖面指定最適當的標準 (另請參閱以下有關「建立適用於其他圖面的標準取代和自訂標準」的說明)。您可以輕鬆變更製圖標準。

由製圖標準控制的設定

製圖標準控制標準的以下元素:

取代標準的元素

您可以取代所有依賴於標準的設定,以滿足您的特殊需求。程式用標準儲存取代。如果您變更至其他標準,則新標準的圖元會變為作用中狀態。如果您在繪製階段作業中間變更標準,則圖面中已存在的圖面物件不會反映變更。僅新物件才會遵循新選取的標準。如果您變更回原始標準,則之前有效的設定會再次處於作用中狀態。

註: 如果您在繪製階段作業中間變更標準,然後取代標準的元素,則取代僅會套用至變更標準後建立的物件。例如,您可以在標準為 ISO 時建立註記,然後將標準變更為 DIN。如果您之後取代了註記的文字顏色設定,則僅在您變更至 DIN 後建立的註記會反映變更。在 ISO 下建立的註記將保留其原始顏色。它們由 ISO 標準而非 DIN 控制。

自訂標準及其重要性

取代標準的元素時,AutoCAD Mechanical 工具集 會驗證取代,並且有時會阻止您建立違反標準的設定。若要避免驗證程序,請建立自訂標準並將其選取做為目前的製圖標準。

例如,ANSI 標準限制文字高度的選擇範圍為 0.1、0.12 與 0.24。若要使用其他文字高度,請根據 ANSI 標準建立自訂標準。自訂標準讓您可以將文字高度變更為任何值。所有其他設定均遵循 ANSI 標準。

使其他圖面可以使用標準取代和自訂標準

若要使以後的圖面可以使用自訂標準或標準取代,請將自訂標準或標準取代儲存至樣板圖面 (*.dwt)。如果您將此樣板設定為預設樣板,則無論您何時開啟 AutoCAD 圖面或根據 AutoCAD 樣板建立圖面,預設樣板中標準從屬的設定均會套用至圖面。如果預設樣板與 AutoCAD 圖面/樣板之間存在單位不相符,則 AutoCAD Mechanical 工具集 會像未設定預設樣板時一樣執行作業。如果未設定預設樣板,則 AutoCAD Mechanical 工具集 會指定 ANSI 標準 (適用於英制圖面) 或 ISO 標準 (適用於公制圖面)。

也可以用 AMSETUPDWG 指令從樣板圖面 (.dwt) 中匯入設定。在繪製階段作業中間匯入設定,類似於在繪製階段作業中間變更製圖標準或變更標準的元素。