此次組合用於覆疊既有道路的一側,並將一條或多條行巷道加入至圍繞路緣迴路的邊緣。
它類似於覆疊加寬以符合坡度 1 次組合,不同之處在於它從既有或計劃的路緣凸緣點向內延伸。

貼附點位於車道加寬部分的外側邊緣上。通常,此次組合從既有或計劃的路緣和邊溝的凸緣向內插入,或從圍繞路緣迴路的外側鋪面邊緣向內插入。
注意事項:除非另有說明,否則所有標註均以公尺或英呎為單位。除非指明是帶有「%」符號的百分比坡度,否則所有坡度均為水平寬度比垂直高度格式 (例如,4 : 1)。
|
參數 |
描述 |
類型 |
預設 |
|---|---|---|---|
|
側 |
指定要將此次組合加入至貼附點的哪一側。 |
布林 |
左/右 |
|
加寬寬度 |
加寬車道的寬度。 |
正數 |
3.6 m 12.0 ft |
|
覆疊寬度 |
鋪面覆疊的寬度。 |
正數 |
3.6 m 12.0 ft |
|
坡度 |
覆疊和加寬的坡度。 |
數字 |
- 2% |
|
鋪路 1 深度 |
用於加寬車道的鋪路 1 圖層的厚度;零表示省略此參數。 |
正數 |
0.025 m 0.083 ft |
|
鋪路 2 深度 |
用於加寬車道的鋪路 2 圖層的厚度;零表示省略此參數。 |
正數 |
0.025 m 0.083 ft |
|
基準深度 |
用於加寬車道的基本圖層的厚度。 |
正數 |
0.100 m 0.333 ft |
|
基層深度 |
用於加寬車道的基層圖層的厚度。 |
正數 |
0.300 m 1.0 ft |
本部分列示了此次組合中可以被對映至一個或多個目標物件 (例如圖面中的地形、定線或縱斷面物件) 的參數。若要取得更多資訊,請參閱〈指定廊道目標的步驟〉。
|
參數 |
描述 |
狀態 |
|---|---|---|
|
既有地形 |
定義既有道路的地形的名稱。以下物件類型可以用作指定此地形的目標:地形。 |
必需 |
|
加寬偏移 |
可以用於取代固定的「加寬寬度」,並將加寬的內側邊緣與定線關聯。以下物件類型可以用作指定此偏移的目標:定線、聚合線、地勢線或測量圖形。 |
可選 |
|
偏移覆疊 |
可以用於取代「覆疊寬度」,並將覆疊的內側邊緣與定線關聯。以下物件類型可以用作指定此偏移的目標:定線、聚合線、地勢線或測量圖形。 |
可選 |
|
覆疊縱斷面 |
可以用於取代「坡度」,並將覆疊內側邊緣的高程與縱斷面關聯,從而產生計算出的坡度。以下物件類型可以用作指定此高程的目標:縱斷面、3D 聚合線、地勢線或測量圖形。 |
可選 |
|
參數 |
描述 |
類型 |
|---|---|---|
|
百分比坡度 |
在既有地形上計算出的從取樣點到插入點的坡度 |
數字 |
貼附點確定加寬部分外側邊緣的偏移和高程。加寬部分內側邊緣以及覆疊部分內側邊緣的位置將使用指定的寬度和坡度來確定。定線可用於取代指定的數值寬度。如果指定了覆疊縱斷面,則會計算覆疊部分內側邊緣處的縱斷面高程與貼附點之間的坡度。
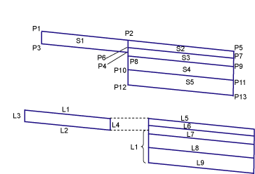
下圖展示了具有覆疊偏移縱斷面的情況。(如果指定了覆疊縱斷面,則會計算覆疊部分內側邊緣處的縱斷面高程與貼附點之間的坡度。)

下圖展示了無覆疊偏移縱斷面的情況。

請務必注意,此次組合從左側到右側的坡度是相同的。此外,相同的坡度也適用於所有次地形。
最後,如果貼附了覆疊縱斷面,則必須將垂直連接 (a) 從「覆疊偏移」加入至目標 (EG) 地形,(b) 從覆疊部分的末端以及加寬部分的起始處加入至目標 (EG) 地形,以及 (c) 沿 (追蹤) 目標 (EG) 地形連接在兩點之間加入連接。
由此造型形成的區域將編碼為下面編碼圖中的「Overlay」(S1)。
覆疊區域指覆疊頂部與既有地形之間的區域,其深度可能不統一。
在配置模式中,此次組合將貼附至任何合宜的點。此次組合將依指定的寬度和坡度展示。在塑型模式中,此造型將調整為由既有地形和執行時間邏輯定線及縱斷面定義的實際情況。
下表列示了此次組合中已為其指定代碼的點代碼、連接代碼和造型代碼。此次組合中未為其指定代碼的點代碼、連接代碼和造型代碼不包括在此表中。
| 點、連接或造型 | 代碼 | 描述 |
|---|---|---|
| P5 | ETW | 完工整地地形上的加寬外側車道邊緣 |
| P7 | ETW_Pave1 | 鋪路 1 上的加寬外側車道邊緣 |
| P9 | ETW_Pave2 | 鋪路 2 上的加寬外側車道邊緣 |
| P11 | ETW_Base | 基準上的加寬外側車道邊緣 |
| P13 | ETW_Sub | 基層上的加寬外側車道邊緣 |
| L1、L5 | Top, Pave | 完工整地地形地面 |
| L2 | Overlay | 既有地形上的疊合連接。請注意,點 P3 與 P4 之間可能存在多個連接。 |
| L6 | Pave1 | |
| L7 | Pave2 | |
| L8 | Base | |
| L9 | SubBase, Datum | |
| L10 | Datum | |
| S1 | Overlay | 覆疊與既有車道之間的區域。 |
| S2 | Pave1 | |
| S3 | Pave2 | |
| S4 | Base | |
| S5 | SubBase |
