![]()
建議值:
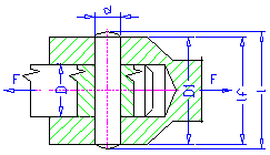
d = (0.2 -0.3) D
D 1 = (1.5 - 2) D - 用於鋼和鑄鋼
D 1 = 2.5 D - 用於灰口鑄鐵
作用中的銷長度
作用中的銷長度 l f 是由倒角和圓角縮減後的長度。有效長度通常承載負載。
公式
剪切應力檢查
![]()
接觸壓力檢查
![]()
公制單位中的符號之解釋:
| τ | 剪應力 [MPa]。 |
τ A | 容許的剪應力 [MPa]。 |
d | 銷直徑 [mm]。 |
p 1 | 拉桿中的壓力 [MPa]。 |
p 2 | 套筒中的壓力 [MPa]。 |
p 1A | 套筒中容許的壓力 [MPa]。 |
p 2A | 拉桿中容許的壓力 [MPa]。 |
D | 拉桿直徑 [mm]。 |
D 1 | 套管直徑 [mm]。 |
英制單位中的符號之解釋:
| τ | 剪切應力 [psi] |
τ A | 允許的剪切應力 [psi] |
d | 銷直徑 [in] |
p 1 | 拉桿中的壓力 [psi] |
p 2 | 套筒中的壓力 [psi] |
p 1A | 套筒中允許的壓力 [psi] |
p 2A | 拉桿中允許的壓力 [psi] |
D | 拉桿直徑 [in] |
D 1 | 套管直徑 [in] |