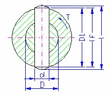
徑向銷產生器

建議值:
d = (0.2 -0.3) D
D 1 = (1.5 - 2) D - 用於鋼和鑄鋼
D 1 = 2.5 D - 用於灰口鑄鐵
作用中的銷長度
作用中的銷長度 l f 是由倒角和圓角縮減後的長度。有效長度通常承載負載。
公制單位中的公式
彎曲應力

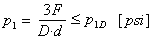
桿中的壓力

U 形夾中的壓力

剪應力


其中:
| | F | 力 [N] |
| | σ 0 | 彎曲應力 [MPa] |
| | σ 0D | 容許的彎曲應力 [MPa] |
| | M 0 | 彎矩 [N mm] |
| | W 0 | 彎曲剖面係數 [mm 3 ] |
| | τ | 剪切應力 [MPa] |
| | τ D | 允許的剪切應力 [MPa] |
| | d | 銷直徑 [mm] |
| | p 1 | 桿中的壓力 [MPa] |
| | p 2 | U 形夾中的壓力 [MPa] |
| | p 1D | 桿中允許的壓力 [MPa] |
| | p 2D | U 形夾中允許的壓力 [MPa] |
| | b | 桿寬度 [mm] |
| | a | U 形夾臂寬 [mm] |
| | D | 軸直徑 [mm] |
英制單位中的公式
彎曲應力

桿中的壓力

U 形夾中的壓力

剪應力


其中:
| | F | 力 [lb] |
| | σ 0 | 彎曲應力 [psi] |
| | σ 0D | 允許的彎曲應力 [psi] |
| | M 0 | 彎矩 [lb ft] |
| | W 0 | 彎曲剖面係數 [in 3 ] |
| | τ | 剪切應力 [psi] |
| | τ D | 允許的剪切應力 [psi] |
| | d | 銷直徑 [in] |
| | p 1 | 桿中的壓力 [psi] |
| | p 2 | U 形夾中的壓力 [psi] |
| | p 1D | 桿中允許的壓力 [psi] |
| | p 2D | U 形夾中允許的壓力 [psi] |
| | b | 桿寬度 [in] |
| | a | U 形夾臂寬 [in] |
| | D | 軸直徑 [in] |