在開啟「產生配置」工具之後,「產生配置」頁籤和選項列會提供下列工具,可讓您為系統建立配置。
您可以結合配置線,方法是首先選取要結合的配置線,然後拖曳其彎頭/端點控制,直到該控制鎖點到相鄰的配置線。已修改的配置線會自動移除,而且其他配置線會加入,以表示與修改的配置線相關聯的元件的實體連接。與已修改配置線相關聯的所有元件會維持其原始位置。結合配置線可讓您重新定義配置,使其對應於您的設計意圖。
當使用「修改」時,會記住目前 (修改) 配置的某個自訂解決方案。如果您稍後使用「修改」以選取不同的解決方案,將會顯示一則訊息,詢問您是否要覆寫先前的解決方案。
若要修改配置,請按一下
(修改),然後選取您要重新定位或結合的配置線。然後,您可以使用以下控制:
平行移動控制:可讓您沿著垂直於配置線的軸移動整個配置線。當需要在系統中維護連接時,會自動加入附加線。請注意,您無法使用此控制來重疊配置線段。您必須使用「彎頭/端點控制項」。
結合控制:
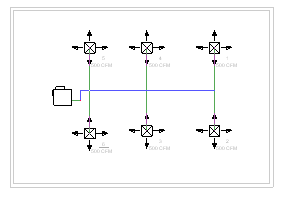
— 表示 T 接頭。
— 表示十字接頭。這些結合控制可讓您在主要和分支線段之間上下左右移動 T 接頭或十字接頭。移動會限制為與結合控制符號 (請參閱上方註記) 相關聯的端點。
彎頭/端點控制項:可讓您移動 2 條配置線之間的交點或配置線的端點。此控制項還可讓您結合配置線。當需要在系統中維護連接時,會自動加入附加配置線。
立面控制項:指出目前的線立面。按一下立面控制項並輸入一值,以調整立面。
網路:此解決方案會建立一個圍繞針對風管系統而選取的元件邊界框,然後使最多 6 個解決方案根據沿著邊界框中心線的主線段,分支與主線段呈 90 度。

周長:此解法會建立一個圍繞針對系統而選取的元件邊界框,並建議 5 個潛在的佈線解法。四種解決方案是根據邊界框 4 邊的 3 邊。第五個解決方案則根據所有 4 邊。

您可以指定插入值,決定邊界框和元件之間的偏移。
交點:此解決方案使潛在佈線根據一對假想線,而這些假想線延伸自系統中元件的每個接點。垂直線延伸自接點。其中來自元件交點的線是建議解決方案中的潛在結合。最多可以沿著最短路徑建議 8 個解決方案。
您可以使用箭頭按鈕 (![]()
),以循環檢視建議的佈線解法。
設定: 開啟「風管轉換設定」對話方塊,您可在其中指定主幹和分支配管的特性。
插圖:指定邊界框和系統中元件之間的距離。您可以指定正值或負值,以在邊界框的內或外分別放置周長。
請注意,只在選取了周長解決方案類型時,才能使用此選項。
請注意,此選項不同於「退回」(Ctrl + Z),因為加入可讓您重新引進元素,而與順序無關。
若要使用基準控制,請放置基準控制,而配置的開啟風管連接將位於其中。您也可以放置基準控制,以連接次組合配置。如果基準位於與開啟連接相同的立面,則水平管或風管將連接至開啟的次組合連接。如果基準控制位於不同於開啟連接的立面,則將建立管或風管豎板以連接配置。
繞著連接方向旋轉:繞著基準控制連接方向軸旋轉基準控制 (連接方向是由 3D 視圖中的箭頭指出)。
繞著互垂於連接的方向旋轉:圍繞並垂直於基準控制連接方向軸旋轉基準控制 (連接方向是由 3D 視圖中的箭頭指出)。
移動基準:重新定位基準控制。