檢閱並修改其他鋼結構框架元素的剖面造型標註參數值。
這些類型性質是從元素的「剖面造型」族群品類參數所建立。
| 剖面造型 | 可用的造型標註參數 |
|---|---|
矩形鋼
![]() |
B. 寬度:剖面造型的外部寬度。 H. 高度:剖面造型的外部高度。 y. 水平距心:剖面造型距心與水平軸左端點間的距離。 z. 垂直距心:剖面造型距心與垂直軸下端點間的距離。 |
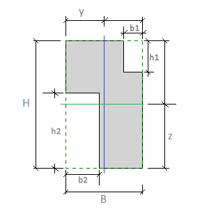
矩形切割
![]() |
B. 寬度:剖面造型的外部寬度。 H. 高度:剖面造型的外部高度。 h1. 頂部挖方高度:矩形挖方剖面造型中頂部挖方的高度。 b1. 頂部挖方寬度:矩形挖方剖面造型中頂部挖方的寬度。 h2. 底部挖方高度:矩形挖方剖面造型中頂部挖方的高度。 b2. 底部挖方寬度:矩形挖方剖面造型中頂部挖方的寬度。 y. 水平距心:剖面造型距心與水平軸左端點間的距離。 z. 垂直距心:剖面造型距心與垂直軸下端點間的距離。 |
圓棒鋼
![]() |
D. 直徑:外部直徑的圓形剖面造型。 y. 水平距心:剖面造型距心與水平軸左端點間的距離。 z. 垂直距心:剖面造型距心與垂直軸下端點間的距離。 |
T 形
![]() |
B. 寬度:剖面造型的外部寬度。 H. 高度:剖面造型的外部高度。 h1. 懸臂樑高度:剖面造型中懸臂樑凸緣的高度。 b1. 懸臂樑長度:剖面造型中懸臂樑凸緣的長度。 y. 水平距心:剖面造型距心與水平軸左端點間的距離。 z. 垂直距心:剖面造型距心與垂直軸下端點間的距離。 |
十字形
![]() |
B. 寬度:剖面造型的外部寬度。 H. 高度:剖面造型的外部高度。 h1. 懸臂樑高度:剖面造型中懸臂樑凸緣的高度。 b1. 懸臂樑長度:剖面造型中懸臂樑凸緣的長度。 y. 水平距心:剖面造型距心與水平軸左端點間的距離。 z. 垂直距心:剖面造型距心與垂直軸下端點間的距離。 |
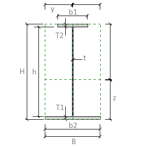
I 型焊接 (城堡形和焊接鋼)
![]() |
B. 寬度:剖面造型的外部寬度。 H. 高度:剖面造型的外部高度。 T2. 頂端凸緣厚度:城堡形或焊接元素之剖面造型中頂端凸緣外部表面間的距離。 b1. 頂端凸緣寬度:城堡形或焊接元素之剖面造型中頂端凸緣的外部寬度。 T1. 底部凸緣厚度:城堡形或焊接元素之剖面造型中底部凸緣外部表面間的距離。 b2. 底部凸緣寬度:城堡形或焊接元素之剖面造型中底部凸緣的外部寬度。 t. 腹板厚度:剖面造型中腹板外部表面間的距離。 h. 腹板高度:剖面造型中凸緣間腹板的距離。 y. 水平距心:剖面造型距心與水平軸左端點間的距離。 z. 垂直距心:剖面造型距心與垂直軸下端點間的距離。 |