Můžete vytvářet několik typů kót pro mnoho typů objektů a s mnoha různými orientacemi a zarovnáními.
Základní typy kótování jsou lineární, radiální, úhlové, staniční a délky oblouků. Pomocí příkazu KÓTA můžete kóty vytvářet automaticky podle typu objektu, který chcete okótovat.
Vzhled kót můžete řídit nastavením stylů kót nebo, ve speciálních případech, úpravou jednotlivých kót. Styly kóty slouží k rychlému definování kót a zachovávají kótovací normy platné v oboru nebo projektu.
Lineární kóty mohou být horizontální, vertikální nebo šikmé. Pomocí příkazu KÓTY můžete vytvořit šikmé, horizontální nebo vertikální kóty, a to na základě toho, jak pohybujete kurzorem při umísťování textu.


Radiální kóty měří poloměr nebo průměr oblouků a kružnic a mají volitelnou osu nebo středovou značku. Některé možnosti jsou zobrazeny na obrázku.

Úhlové kóty měří úhel mezi dvěma vybranými geometrickými objekty nebo třemi body. V následujícím příkladu jsou zleva doprava znázorněny úhlové kóty vytvořené pomocí vrcholu a dvou bodů, oblouku a dvou čar.

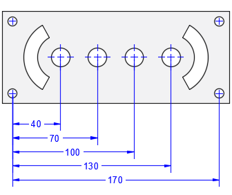
Staniční kóty měří kolmou vzdálenost od počátečního bodu, neboli vztažného bodu k prvku, například otvoru v součásti. Pomocí těchto kót nedochází k rozrůstajícím se chybám, protože je zachováno přesné odsazení prvků od vztažného bodu.

V tomto příkladu je vztažný bod (0,0) označený jako otvor v levém dolním rohu panelu na obrázku.
Kóta délky oblouku měří vzdálenost po oblouku nebo obloukovém úseku křivky. Typické použití kóty délky oblouku zahrnuje měření délky trasy kolem kamery nebo označení délky kabelu.
Kvůli odlišení od lineárních a úhlových kót zobrazují kóty délky oblouku ve výchozím nastavení symbol oblouku. Symbol oblouku je zobrazen buď nad textem kóty, nebo před textem kóty.

Řetězové kóty jsou tvořeny několika kótami za sebou.

Kóty od základny jsou tvořeny několika kótami s odsazenými kótovacími čárami měřenými ze stejného místa.

Ve výchozím nastavení jsou všechny nové objekty vytvářeny ve vrstvě aktuální . U nových kótovacích objektů můžete určit výchozí vrstvu, která se liší od aktuální vrstvy, zadáním vrstvy se systémovou proměnnou DIMLAYER.
Odkazové čáry, komponenty kót a textové objekty určují jejich vodorovné a svislé směry od os USS v době, kdy byly vytvořeny. Pokud bude pohled výkresu otočen, je možné nejdříve použít možnost USS/Pohled k nastavení vodorovných a svislých směrů vzhledem k výkresu, a ne vzhledem k otočenému pohledu.