Typy kót

Můžete vytvářet několik typů kót pro mnoho typů objektů a s mnoha různými orientacemi a zarovnáními.

Základní typy kótování jsou lineární, radiální, úhlové, staniční a délky oblouků. Pomocí příkazu KÓTA můžete kóty vytvářet automaticky podle typu objektu, který chcete okótovat.

Vzhled kót můžete řídit nastavením stylů kót nebo, ve speciálních případech, úpravou jednotlivých kót. Styly kóty slouží k rychlému definování kót a zachovávají kótovací normy platné v oboru nebo projektu.

Tip: Ke zjednodušení organizace výkresu a velikosti kót můžete kóty vytvářet v rozvrženích místo v modelovém prostoru.

Lineární kóty

Lineární kóty mohou být horizontální, vertikální nebo šikmé. Pomocí příkazu KÓTY můžete vytvořit šikmé, horizontální nebo vertikální kóty, a to na základě toho, jak pohybujete kurzorem při umísťování textu.

V otočených kótách jsou kótovací čáry umístěny šikmo vůči počátečním bodům vynášecí čáry. V tomto příkladu se úhel pro otočení kóty rovná úhlu drážky.
Poznámka: Lineární kóty lze také vytvářet s vynášecími čarami, které nejsou kolmé ke kótovacím čarám. Ty se nazývají šikmé kóty a jsou nejběžněji používány při izometrickém kreslení. V tomto případě budou kótovací čáry orientovány pod úhlem 30 až 60 stupňů v závislosti na aktuální izorovině.

Radiální kóty

Radiální kóty měří poloměr nebo průměr oblouků a kružnic a mají volitelnou osu nebo středovou značku. Některé možnosti jsou zobrazeny na obrázku.

Poznámka: Pokud je část kóty umístěna uvnitř kótovaného oblouku nebo kružnice, neasociativní osa a středová značka je automaticky vypnutá.

Úhlové kóty

Úhlové kóty měří úhel mezi dvěma vybranými geometrickými objekty nebo třemi body. V následujícím příkladu jsou zleva doprava znázorněny úhlové kóty vytvořené pomocí vrcholu a dvou bodů, oblouku a dvou čar.

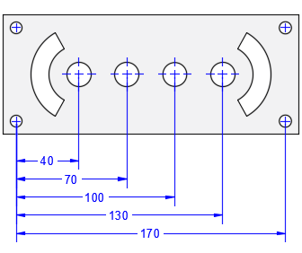
Staniční kóty

Staniční kóty měří kolmou vzdálenost od počátečního bodu, neboli vztažného bodu k prvku, například otvoru v součásti. Pomocí těchto kót nedochází k rozrůstajícím se chybám, protože je zachováno přesné odsazení prvků od vztažného bodu.

Důležité: Vztažný bod je určen aktuálním umístěním počátku USS.

V tomto příkladu je vztažný bod (0,0) označený jako otvor v levém dolním rohu panelu na obrázku.

Kóty délky oblouku

Kóta délky oblouku měří vzdálenost po oblouku nebo obloukovém úseku křivky. Typické použití kóty délky oblouku zahrnuje měření délky trasy kolem kamery nebo označení délky kabelu.

Kvůli odlišení od lineárních a úhlových kót zobrazují kóty délky oblouku ve výchozím nastavení symbol oblouku. Symbol oblouku je zobrazen buď nad textem kóty, nebo před textem kóty.

Kóty od základny a řetězové kóty

Řetězové kóty jsou tvořeny několika kótami za sebou.

Kóty od základny jsou tvořeny několika kótami s odsazenými kótovacími čárami měřenými ze stejného místa.

Poznámka: Před vytvořením řetězové kóty nebo kóty od základny je nutné nejprve vytvořit lineární, úhlovou nebo staniční kótu, která bude sloužit jako základní kóta, ze které chcete odkazovat na další kóty.

Přepisy aktuální hladina

Ve výchozím nastavení jsou všechny nové objekty vytvářeny ve vrstvě aktuální . U nových kótovacích objektů můžete určit výchozí vrstvu, která se liší od aktuální vrstvy, zadáním vrstvy se systémovou proměnnou DIMLAYER.

Otočené pohledy

Odkazové čáry, komponenty kót a textové objekty určují jejich vodorovné a svislé směry od os USS v době, kdy byly vytvořeny. Pokud bude pohled výkresu otočen, je možné nejdříve použít možnost USS/Pohled k nastavení vodorovných a svislých směrů vzhledem k výkresu, a ne vzhledem k otočenému pohledu.