Generátor příčných kolíků

Doporučené hodnoty:
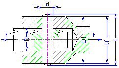
d = (0.2 -0.3) D
D 1 = (1.5 - 2) D – pro ocel a ocel na odlitky
D 1 = 2.5 D – pro šedé litiny
Aktivní délka kolíku
Aktivní délka kolíku l f je délka zkrácená zaoblením a zkosením. Aktivní délka obvykle nese zatížení.
Vzorce
Kontrola napětí ve smyku

Kontrola dotykového tlaku

Význam symbolů v metrických jednotkách:
| τ | smykové napětí [MPa]. |
τ A | dovolené napětí ve smyku [MPa]. |
d | průměr kolíku [mm]. |
p 1 | tlak v táhle [MPa]. |
p 2 | tlak v objímce [MPa]. |
p 1A | dovolený tlak v objímce [MPa]. |
p 2A | dovolený tlak v táhle [MPa]. |
D | průměr táhla [mm]. |
D 1 | průměr objímky [mm]. |
Význam symbolů v anglických jednotkách:
| τ | smykové napětí [psi] |
τ A | přípustné smykové napětí [psi] |
d | průměr kolíku [in] |
p 1 | tlak v táhle [psi] |
p 2 | tlak v pouzdru [psi] |
p 1A | přípustný tlak v pouzdru [psi] |
p 2A | přípustný tlak v táhle [psi] |
D | průměr táhla [in] |
D 1 | průměr pouzdra [in] |