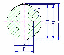
Generátor radiálních kolíků

Doporučené hodnoty:
d = (0.2 -0.3) D
D 1 = (1.5 - 2) D – pro ocel a ocel na odlitky
D 1 = 2.5 D – pro šedé litiny
Aktivní délka kolíku
Aktivní délka kolíku l f je délka zkrácená zaoblením a zkosením. Aktivní délka obvykle nese zatížení.
Vzorce v metrických jednotkách
Ohybové napětí

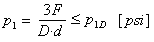
Tlak v táhle

Tlak ve vidlici

Napětí ve střihu


kde:
| | F | síla [N] |
| | σ 0 | ohybové napětí [MPa] |
| | σ 0D | dovolené napětí v ohybu [MPa] |
| | M 0 | ohybový moment [N mm] |
| | W 0 | modul řezu v ohybu [mm 3 ] |
| | τ | smykové napětí [MPa] |
| | τ D | přípustné smykové napětí [MPa] |
| | d | průměr kolíku [mm] |
| | p 1 | tlak v táhle [MPa] |
| | p 2 | tlak ve vidlici [MPa] |
| | p 1D | přípustný tlak v táhle [MPa] |
| | p 2D | přípustný tlak ve vidlici [MPa] |
| | b | šířka táhla [mm] |
| | a | šířka ramene vidlice [mm] |
| | D | průměr hřídele [mm] |
Vzorce v anglických jednotkách
Ohybové napětí

Tlak v táhle

Tlak ve vidlici

Napětí ve střihu


kde:
| | F | síla [lb] |
| | σ 0 | ohybové napětí [psi] |
| | σ 0D | přípustné napětí v ohybu [psi] |
| | M 0 | ohybový moment [ln ft] |
| | W 0 | modul řezu v ohybu [in 3 ] |
| | τ | smykové napětí [psi] |
| | τ D | přípustné smykové napětí [psi] |
| | d | průměr kolíku [in] |
| | p 1 | tlak v táhle [psi] |
| | p 2 | tlak ve vidlici [psi] |
| | p 1D | přípustný tlak v táhle [psi] |
| | p 2D | přípustný tlak ve vidlici [psi] |
| | b | šířka táhla [in] |
| | a | šířka ramene vidlice [in] |
| | D | průměr hřídele [in] |