Generátor spárových kolíků

Doporučené hodnoty
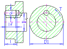
d = (0,12 - 0,25) D
l = (1 - 1,5) D
Aktivní délka kolíku
Aktivní délka kolíku l f je délka zkrácená zaoblením a zkosením. Aktivní délka obvykle nese zatížení.
Vzorce v metrických jednotkách
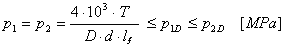
Přenášený krouticí moment

Kontrola napětí ve smyku

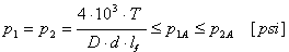
Kontrola dotykového tlaku

kde:
| | P | přenášený výkon [kW] |
| | n | otáčky [ot/min] |
| | T | krouticí moment [Nm] |
| | τ | smykové napětí [MPa] |
| | τ A | přípustné smykové napětí [MPa] |
| | d | průměr kolíku [mm] |
| | p 1 | tlak v hřídeli [MPa] |
| | p 2 | tlak v náboji [MPa] |
| | p 1A | přípustný tlak v hřídeli [MPa] |
| | p 2A | přípustný tlak v náboji [MPa] |
| | D | průměr hřídele [mm] |
| | D 1 | průměr náboje [mm] |
| | l f | aktivní délka kolíku [mm] |
Vzorce v anglických jednotkách
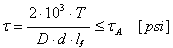
Přenášený krouticí moment

Kontrola napětí ve smyku

Kontrola dotykového tlaku

kde:
| | P | přenášený výkon [HP] |
| | n | otáčky [ot/min] |
| | T | krouticí moment [lb ft] |
| | τ | smykové napětí [psi] |
| | τ A | přípustné smykové napětí [psi] |
| | d | průměr kolíku [in] |
| | p 1 | tlak v hřídeli [psi] |
| | p 2 | tlak v náboji [psi] |
| | p 1A | přípustný tlak v hřídeli [psi] |
| | p 2A | dovolený tlak v náboji [psi] |
| | D | průměr hřídele [in] |
| | D 1 | průměr náboje [in] |
| | l f | aktivní délka kolíku [in] |