Generátor zajišťovacích kolíků

Aktivní délka kolíku
Aktivní délka kolíku l f je délka zkrácená zaoblením a zkosením. Aktivní délka obvykle nese zatížení.
Vzorce
Kontrola napětí ve smyku

Kontrola dotykového tlaku

Význam symbolů v metrických jednotkách:
| τ | smykové napětí [MPa] |
τ A | přípustné smykové napětí [MPa] |
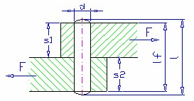
d | průměr kolíku [mm] |
p 1 | tlak v horní desce [MPa] |
p 2 | tlak v dolní desce [MPa] |
p 1A | přípustný tlak v horní desce [MPa] |
p 2A | přípustný tlak v dolní desce [MPa] |
s 1 | tloušťka horní desky [mm] |
s 2 | tloušťka dolní desky [mm] |
Význam symbolů v anglických jednotkách:
| τ | smykové napětí [psi] |
τ A | přípustné smykové napětí [psi] |
d | průměr kolíku [in] |
p 1 | tlak v horní desce [psi] |
p 2 | tlak v dolní desce [psi] |
p 1A | přípustný tlak v horní desce [psi] |
p 2A | přípustný tlak v dolní desce [psi] |
s 1 | tloušťka horní desky [in] |
s 2 | tloušťka dolní desky [in] |