Querstift-Generator

Empfohlene Werte:
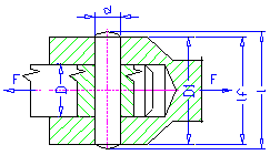
d = (0.2 -0.3) D
D 1 = (1.5 - 2) D - für Stahl und Gussstahl
D 1 = 2.5 D - für graues Gusseisen
Aktive Stiftlänge
Die aktive Stiftlänge l f ist eine um Fasen und Rundungen reduzierten Länge. Die aktive Länge überträgt in der Regel die Belastung.
Formeln
Kontrolle der Scherspannung

Kontrolle des Kontaktdrucks

Bedeutung der Symbole für metrische Einheiten:
| τ | Scherspannung [MPa] |
τ A | Zulässige Scherspannung [MPa] |
d | Stiftdurchmesser [mm] |
p 1 | Druck in der Zugstange [MPa] |
p 2 | Druck in der Muffe [MPa] |
p 1A | Zulässiger Druck in der Muffe [MPa] |
p 2A | Zulässiger Druck in der Zugstange [MPa] |
D | Zugstangendurchmesser [mm] |
D 1 | Muffendurchmesser [mm] |
Bedeutung der Symbole für englische Einheiten:
| τ | Scherspannung [psi] |
τ A | Zulässige Scherspannung [psi] |
d | Stiftdurchmesser [in] |
p 1 | Druck in der Zugstange [psi] |
p 2 | Druck in der Muffe [psi] |
p 1A | Zulässiger Druck in der Muffe [psi] |
p 2A | Zulässiger Druck in der Zugstange [psi] |
D | Zugstangendurchmesser [in] |
D 1 | Muffendurchmesser [in] |