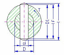
Radialstift-Generator

Empfohlene Werte:
d = (0.2 - 0.3) D
D 1 = (1.5 - 2) D - für Stahl und Gussstahl
D 1 = 2.5 D - für graues Gusseisen
Aktive Stiftlänge
Die aktive Stiftlänge l f ist eine um Fasen und Rundungen reduzierten Länge. Die aktive Länge überträgt in der Regel die Belastung.
Formeln in metrischen Einheiten
Biegespannung

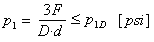
Druck im Stab

Druck im Zapfen

Scherspannung


Dabei gilt:
| | F | Kraft [N] |
| | σ 0 | Biegespannung [MPa] |
| | σ 0D | Zulässige Biegespannung [MPa] |
| | M 0 | Biegemoment [N mm] |
| | W 0 | Widerstandsmoment der Biegung [mm 3 ] |
| | τ | Scherspannung [MPa] |
| | τ D | Zulässige Scherspannung [MPa] |
| | d | Stiftdurchmesser [mm] |
| | p 1 | Druck im Stab [MPa] |
| | p 2 | Druck im Zapfen [MPa] |
| | p 1D | Zulässiger Druck im Stab [MPa] |
| | p 2D | Zulässiger Druck im Zapfen [MPa] |
| | b | Stabbreite [mm] |
| | a | Zapfenarmbreite [mm] |
| | D | Wellendurchmesser [mm] |
Formeln in englischen Einheiten
Biegespannung

Druck im Stab

Druck im Zapfen

Scherspannung


Dabei gilt:
| | F | Kraft [lb] |
| | σ 0 | Biegespannung [psi] |
| | σ 0D | Zulässige Biegespannung [psi] |
| | M 0 | Biegemoment [ln ft] |
| | W 0 | Widerstandsmoment der Biegung [in 3 ] |
| | τ | Scherspannung [psi] |
| | τ D | Zulässige Scherspannung [psi] |
| | d | Stiftdurchmesser [in] |
| | p 1 | Druck im Stab [psi] |
| | p 2 | Druck im Zapfen [psi] |
| | p 1D | Zulässiger Druck im Stab [psi] |
| | p 2D | Zulässiger Druck im Zapfen [psi] |
| | b | Stabbreite [in] |
| | a | Zapfenarmbreite [in] |
| | D | Wellendurchmesser [in] |