Sicherungsstift-Generator

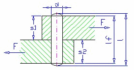
Aktive Stiftlänge
Die aktive Stiftlänge l f ist eine um Fasen und Rundungen reduzierten Länge. Die aktive Länge überträgt in der Regel die Belastung.
Formeln
Kontrolle der Scherspannung

Kontrolle des Kontaktdrucks

Bedeutung der Symbole für metrische Einheiten:
| τ | Scherspannung [MPa] |
τ A | Zulässige Scherspannung [MPa] |
d | Stiftdurchmesser [mm] |
p 1 | Druck in der oberen Platte [MPa] |
p 2 | Druck in der unteren Platte [MPa] |
p 1A | Zulässiger Druck in der oberen Platte [MPa] |
p 2A | Zulässiger Druck in der unteren Platte [MPa] |
s 1 | Dicke der oberen Platte [mm] |
s 2 | Dicke der unteren Platte [mm] |
Bedeutung der Symbole für englische Einheiten:
| τ | Scherspannung [psi] |
τ A | Zulässige Scherspannung [psi] |
d | Stiftdurchmesser [in] |
p 1 | Druck in der oberen Platte [psi] |
p 2 | Druck in der unteren Platte [psi] |
p 1A | Zulässiger Druck in der oberen Platte [psi] |
p 2A | Zulässiger Druck in der unteren Platte [psi] |
s 1 | Dicke der oberen Platte [in] |
s 2 | Dicke der unteren Platte [in] |