Bemaßungen für Querschnittsformen kaltgeformter Stahlelemente

Sie können die Werte der Bemaßungsparameter für Querschnittsformen kaltgeformter Stahltragwerkselemente überprüfen und ändern.

Diese Typeneigenschaften werden unter Verwendung des Familienkategorieparameters Querschnittsform für das Element erstellt.

Querschnittsform Verfügbare Bemaßungsparameter für die Form
Hohlprofile rechteckig (kaltgeformter Stahl)

B. Breite: die äußere Breite der Querschnittsform.

H. Höhe: die äußere Höhe der Querschnittsform.

T. Wandstärke: die lotrechte Konstruktionsdicke zwischen der inneren und äußeren Oberfläche einer Querschnittsform.

t. Nominelle Wandstärke: der durchschnittliche lotrechte Abstand zwischen der inneren und äußeren Oberfläche der Querschnittsform.

r1. Abrundung innen: der Radius der inneren Eckenabrundung der Querschnittsform für ein rechteckiges hohles Tragwerkselement.

r2. Abrundung außen: der Radius der äußeren Eckenabrundung der Querschnittsform für ein rechteckiges hohles Tragwerkselement.

y. Schwerpunkt horizontal: die Entfernung vom Schwerpunkt der Querschnittsform zum linken Ende entlang der horizontalen Achse.

z. Schwerpunkt vertikal: die Entfernung vom Schwerpunkt der Querschnittsform zum unteren Ende entlang der vertikalen Achse.

Hohlprofile rund (kaltgeformter Stahl)

D. Durchmesser: der Außendurchmesser der runden Querschnittsform.

T. Wandstärke: die lotrechte Konstruktionsdicke zwischen der inneren und äußeren Oberfläche einer Querschnittsform.

t. Nominelle Wandstärke: der durchschnittliche lotrechte Abstand zwischen der inneren und äußeren Oberfläche der Querschnittsform.

y. Schwerpunkt horizontal: die Entfernung vom Schwerpunkt der Querschnittsform zum linken Ende entlang der horizontalen Achse.

z. Schwerpunkt vertikal: die Entfernung vom Schwerpunkt der Querschnittsform zum unteren Ende entlang der vertikalen Achse.

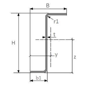
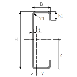
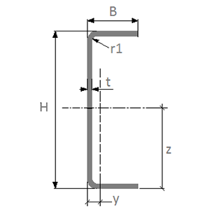
C-Profil

B. Breite: die äußere Breite der Querschnittsform.

H. Höhe: die äußere Höhe der Querschnittsform.

T. Wandstärke: die lotrechte Konstruktionsdicke zwischen der inneren und äußeren Oberfläche einer Querschnittsform.

t. Nominelle Wandstärke: der durchschnittliche lotrechte Abstand zwischen der inneren und äußeren Oberfläche der Querschnittsform.

r1. Abrundung innen: Der Radius der inneren Eckenabrundung der Biegung in der Querschnittsform eines kaltgeformten Stahlelements.

y. Schwerpunkt horizontal: die Entfernung vom Schwerpunkt der Querschnittsform zum linken Ende entlang der horizontalen Achse.

z. Schwerpunkt vertikal: die Entfernung vom Schwerpunkt der Querschnittsform zum unteren Ende entlang der vertikalen Achse.

C-Profil mit Falz

B. Breite: die äußere Breite der Querschnittsform.

H. Höhe: die äußere Höhe der Querschnittsform.

h1. Lippenlänge: Der Abstand zwischen der Außenfläche der Querschnittsform und dem Ende des Lippensegments.

b1. Falzlänge: Der Abstand zwischen der Außenfläche des Lippensegments und dem Ende des Falzsegments.

T. Wandstärke: die lotrechte Konstruktionsdicke zwischen der inneren und äußeren Oberfläche einer Querschnittsform.

t. Nominelle Wandstärke: der durchschnittliche lotrechte Abstand zwischen der inneren und äußeren Oberfläche der Querschnittsform.

r1. Abrundung innen: Der Radius der inneren Eckenabrundung der Biegung in der Querschnittsform eines kaltgeformten Stahlelements.

y. Schwerpunkt horizontal: die Entfernung vom Schwerpunkt der Querschnittsform zum linken Ende entlang der horizontalen Achse.

z. Schwerpunkt vertikal: die Entfernung vom Schwerpunkt der Querschnittsform zum unteren Ende entlang der vertikalen Achse.

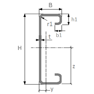
C-Profil mit Lippen

B. Breite: die äußere Breite der Querschnittsform.

H. Höhe: die äußere Höhe der Querschnittsform.

h1. Lippenlänge: Der Abstand zwischen der Außenfläche der Querschnittsform und dem Ende des Lippensegments.

T. Wandstärke: die lotrechte Konstruktionsdicke zwischen der inneren und äußeren Oberfläche einer Querschnittsform.

t. Nominelle Wandstärke: der durchschnittliche lotrechte Abstand zwischen der inneren und äußeren Oberfläche der Querschnittsform.

r1. Abrundung innen: Der Radius der inneren Eckenabrundung der Biegung in der Querschnittsform eines kaltgeformten Stahlelements.

y. Schwerpunkt horizontal: die Entfernung vom Schwerpunkt der Querschnittsform zum linken Ende entlang der horizontalen Achse.

z. Schwerpunkt vertikal: die Entfernung vom Schwerpunkt der Querschnittsform zum unteren Ende entlang der vertikalen Achse.

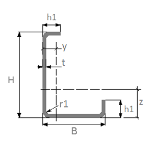
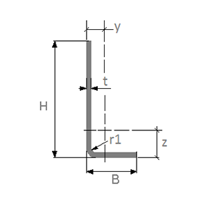
L-Profil

B. Breite: die äußere Breite der Querschnittsform.

H. Höhe: die äußere Höhe der Querschnittsform.

T. Wandstärke: die lotrechte Konstruktionsdicke zwischen der inneren und äußeren Oberfläche einer Querschnittsform.

t. Nominelle Wandstärke: der durchschnittliche lotrechte Abstand zwischen der inneren und äußeren Oberfläche der Querschnittsform.

r1. Abrundung innen: Der Radius der inneren Eckenabrundung der Biegung in der Querschnittsform eines kaltgeformten Stahlelements.

y. Schwerpunkt horizontal: die Entfernung vom Schwerpunkt der Querschnittsform zum linken Ende entlang der horizontalen Achse.

z. Schwerpunkt vertikal: die Entfernung vom Schwerpunkt der Querschnittsform zum unteren Ende entlang der vertikalen Achse.

L-Profil mit Lippen

B. Breite: die äußere Breite der Querschnittsform.

H. Höhe: die äußere Höhe der Querschnittsform.

h1. Lippenlänge: Der Abstand zwischen der Außenfläche der Querschnittsform und dem Ende des Lippensegments.

T. Wandstärke: die lotrechte Konstruktionsdicke zwischen der inneren und äußeren Oberfläche einer Querschnittsform.

t. Nominelle Wandstärke: der durchschnittliche lotrechte Abstand zwischen der inneren und äußeren Oberfläche der Querschnittsform.

r1. Abrundung innen: Der Radius der inneren Eckenabrundung der Biegung in der Querschnittsform eines kaltgeformten Stahlelements.

y. Schwerpunkt horizontal: die Entfernung vom Schwerpunkt der Querschnittsform zum linken Ende entlang der horizontalen Achse.

z. Schwerpunkt vertikal: die Entfernung vom Schwerpunkt der Querschnittsform zum unteren Ende entlang der vertikalen Achse.

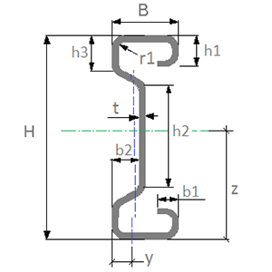
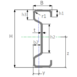
Sigma-Profil

B. Breite: die äußere Breite der Querschnittsform.

H. Höhe: die äußere Höhe der Querschnittsform.

b2. Biegungsbreite: Der Abstand zwischen dem linken Ende der Querschnittsform und der Außenfläche des mittleren Biegungssegments.

h2. Biegungslänge Mitte: die Länge der Innenfläche des mittleren Biegungssegments.

h3. Biegungslänge oben: Der Abstand zwischen der Außenfläche der Oberseite der Querschnittsform und dem Ende des oberen Biegungssegments.

T. Wandstärke: die lotrechte Konstruktionsdicke zwischen der inneren und äußeren Oberfläche einer Querschnittsform.

t. Nominelle Wandstärke: der durchschnittliche lotrechte Abstand zwischen der inneren und äußeren Oberfläche der Querschnittsform.

r1. Abrundung innen: Der Radius der inneren Eckenabrundung der Biegung in der Querschnittsform eines kaltgeformten Stahlelements.

y. Schwerpunkt horizontal: die Entfernung vom Schwerpunkt der Querschnittsform zum linken Ende entlang der horizontalen Achse.

z. Schwerpunkt vertikal: die Entfernung vom Schwerpunkt der Querschnittsform zum unteren Ende entlang der vertikalen Achse.

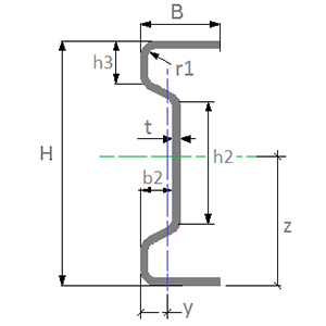
Sigma-Profil mit Falz

B. Breite: die äußere Breite der Querschnittsform.

H. Höhe: die äußere Höhe der Querschnittsform.

b1. Falzlänge: Der Abstand zwischen der Außenfläche des Lippensegments und dem Ende des Falzsegments.

h1. Lippenlänge: Der Abstand zwischen der Außenfläche der Querschnittsform und dem Ende des Lippensegments.

b2. Biegungsbreite: Der Abstand zwischen dem linken Ende der Querschnittsform und der Außenfläche des mittleren Biegungssegments.

h2. Biegungslänge Mitte: die Länge der Innenfläche des mittleren Biegungssegments.

h3. Biegungslänge oben: Der Abstand zwischen der Außenfläche der Oberseite der Querschnittsform und dem Ende des oberen Biegungssegments.

T. Wandstärke: die lotrechte Konstruktionsdicke zwischen der inneren und äußeren Oberfläche einer Querschnittsform.

t. Nominelle Wandstärke: der durchschnittliche lotrechte Abstand zwischen der inneren und äußeren Oberfläche der Querschnittsform.

r1. Abrundung innen: Der Radius der inneren Eckenabrundung der Biegung in der Querschnittsform eines kaltgeformten Stahlelements.

y. Schwerpunkt horizontal: die Entfernung vom Schwerpunkt der Querschnittsform zum linken Ende entlang der horizontalen Achse.

z. Schwerpunkt vertikal: die Entfernung vom Schwerpunkt der Querschnittsform zum unteren Ende entlang der vertikalen Achse.

Sigma-Profil mit Lippen

B. Breite: die äußere Breite der Querschnittsform.

H. Höhe: die äußere Höhe der Querschnittsform.

b2. Biegungsbreite: Der Abstand zwischen dem linken Ende der Querschnittsform und der Außenfläche des mittleren Biegungssegments.

h1. Lippenlänge: Der Abstand zwischen der Außenfläche der Querschnittsform und dem Ende des Lippensegments.

h2. Biegungslänge Mitte: die Länge der Innenfläche des mittleren Biegungssegments.

h3. Biegungslänge oben: Der Abstand zwischen der Außenfläche der Oberseite der Querschnittsform und dem Ende des oberen Biegungssegments.

T. Wandstärke: die lotrechte Konstruktionsdicke zwischen der inneren und äußeren Oberfläche einer Querschnittsform.

t. Nominelle Wandstärke: der durchschnittliche lotrechte Abstand zwischen der inneren und äußeren Oberfläche der Querschnittsform.

r1. Abrundung innen: Der Radius der inneren Eckenabrundung der Biegung in der Querschnittsform eines kaltgeformten Stahlelements.

y. Schwerpunkt horizontal: die Entfernung vom Schwerpunkt der Querschnittsform zum linken Ende entlang der horizontalen Achse.

z. Schwerpunkt vertikal: die Entfernung vom Schwerpunkt der Querschnittsform zum unteren Ende entlang der vertikalen Achse.

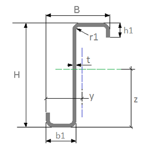
Z-Profil

B. Breite: die äußere Breite der Querschnittsform.

H. Höhe: die äußere Höhe der Querschnittsform.

b1. Länge unterer Flansch: Der Abstand zwischen der Innenfläche der Querschnittsform und dem Ende des unteren Flanschsegments.

T. Wandstärke: die lotrechte Konstruktionsdicke zwischen der inneren und äußeren Oberfläche einer Querschnittsform.

t. Nominelle Wandstärke: der durchschnittliche lotrechte Abstand zwischen der inneren und äußeren Oberfläche der Querschnittsform.

r1. Abrundung innen: Der Radius der inneren Eckenabrundung der Biegung in der Querschnittsform eines kaltgeformten Stahlelements.

y. Schwerpunkt horizontal: die Entfernung vom Schwerpunkt der Querschnittsform zum linken Ende entlang der horizontalen Achse.

z. Schwerpunkt vertikal: die Entfernung vom Schwerpunkt der Querschnittsform zum unteren Ende entlang der vertikalen Achse.

Z-Profil mit Lippen

B. Breite: die äußere Breite der Querschnittsform.

H. Höhe: die äußere Höhe der Querschnittsform.

b1. Länge unterer Flansch: Der Abstand zwischen der Innenfläche der Querschnittsform und dem Ende des unteren Flanschsegments.

h1. Lippenlänge: Der Abstand zwischen der Außenfläche der Querschnittsform und dem Ende des Lippensegments.

T. Wandstärke: die lotrechte Konstruktionsdicke zwischen der inneren und äußeren Oberfläche einer Querschnittsform.

t. Nominelle Wandstärke: der durchschnittliche lotrechte Abstand zwischen der inneren und äußeren Oberfläche der Querschnittsform.

r1. Abrundung innen: Der Radius der inneren Eckenabrundung der Biegung in der Querschnittsform eines kaltgeformten Stahlelements.

y. Schwerpunkt horizontal: die Entfernung vom Schwerpunkt der Querschnittsform zum linken Ende entlang der horizontalen Achse.

z. Schwerpunkt vertikal: die Entfernung vom Schwerpunkt der Querschnittsform zum unteren Ende entlang der vertikalen Achse.