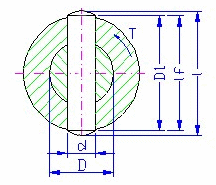
Radial Pin Generator

Recommended values:
d = (0.2 - 0.3) D
D 1 = (1.5 - 2) D - for steel and cast steel
D 1 = 2.5 D - for gray cast iron
Active Pin Length
The pin active length l f is a length reduced by chamfering and filleting. The active length usually carries loading.
Formulas in metric units
Bending stress

Pressure in rod

Pressure in clevis

Shear stress


where:
| | F | force [N] |
| | σ 0 | bending stress [MPa] |
| | σ 0D | allowable bending stress [MPa] |
| | M 0 | bending moment [N mm] |
| | W 0 | bending section modulus [mm 3 ] |
| | τ | shear stress [MPa] |
| | τ D | allowable shear stress [MPa] |
| | d | pin diameter [mm] |
| | p 1 | pressure in rod [MPa] |
| | p 2 | pressure in clevis [MPa] |
| | p 1D | allowable pressure in rod [MPa] |
| | p 2D | allowable pressure in clevis [MPa] |
| | b | rod width [mm] |
| | a | clevis arm width [mm] |
| | D | shaft diameter [mm] |
Formulas in English units
Bending stress

Pressure in rod

Pressure in clevis

Shear stress


where:
| | F | force [lb] |
| | σ 0 | bending stress [psi] |
| | σ 0D | allowable bending stress [psi] |
| | M 0 | bending moment [ln ft] |
| | W 0 | bending section modulus [in 3 ] |
| | τ | shear stress [psi] |
| | τ D | allowable shear stress [psi] |
| | d | pin diameter [in] |
| | p 1 | pressure in rod [psi] |
| | p 2 | pressure in clevis [psi] |
| | p 1D | allowable pressure in rod [psi] |
| | p 2D | allowable pressure in clevis [psi] |
| | b | rod width [in] |
| | a | clevis arm width [in] |
| | D | shaft diameter [in] |