Review and modify the values of section shape dimension parameters of other steel structural framing elements.
These type properties are created from the Section Shape family category parameter of the element.
| Section shape | Available shape dimension parameters | 
|---|---|
| Rectangular Bar  | B. Width: the external width of the section shape. H. Height: the external height of the section shape. y. Centroid Horizontal: the distance from the centroid of the section shape to the left extremities along the horizontal axis. z. Centroid Vertical: the distance from the centroid of the section shape to the lower extremities along the vertical axis. | 
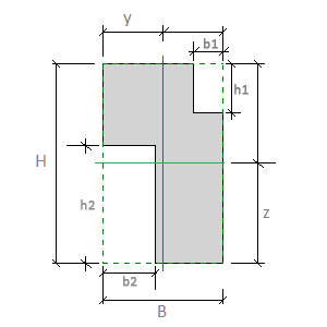
| Rectangle-cut  | B. Width: the external width of the section shape. H. Height: the external height of the section shape. h1. Top Cut Height: the height of the top cut in a rectangle-cut section shape. b1. Top Cut Width: the width of the top cut in a rectangle-cut section shape. h2. Bottom Cut Height: the height of the top cut in a rectangle-cut section shape. b2. Bottom Cut Width: the width of the top cut in a rectangle-cut section shape. y. Centroid Horizontal: the distance from the centroid of the section shape to the left extremities along the horizontal axis. z. Centroid Vertical: the distance from the centroid of the section shape to the lower extremities along the vertical axis. | 
| Round Bar  | D. Diameter: the external diameter of the round section shape. y. Centroid Horizontal: the distance from the centroid of the section shape to the left extremities along the horizontal axis. z. Centroid Vertical: the distance from the centroid of the section shape to the lower extremities along the vertical axis. | 
| T-shape  | B. Width: the external width of the section shape. H. Height: the external height of the section shape. h1. Cantilever Height: the height of the cantilever flange in the section shape. b1. Cantilever Length: the length of the cantilever flange in the section shape. y. Centroid Horizontal: the distance from the centroid of the section shape to the left extremities along the horizontal axis. z. Centroid Vertical: the distance from the centroid of the section shape to the lower extremities along the vertical axis. | 
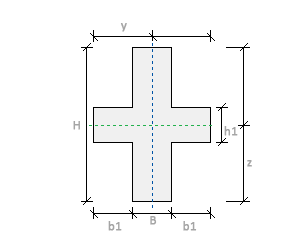
| Cross-shape  | B. Width: the external width of the section shape. H. Height: the external height of the section shape. h1. Cantilever Height: the height of the cantilever flange in the section shape. b1. Cantilever Length: the length of the cantilever flange in the section shape. y. Centroid Horizontal: the distance from the centroid of the section shape to the left extremities along the horizontal axis. z. Centroid Vertical: the distance from the centroid of the section shape to the lower extremities along the vertical axis. | 
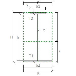
| I-shape Welded (castellated and welded steel)  | B. Width: the external width of the section shape. H. Height: the external height of the section shape. T2. Top Flange Thickness: the distance between the exterior surfaces of the top flange in the section shape of a castellated or welded element. b1. Top Flange Width: the external width of the top flange in the section shape of a castellated or welded element. T1. Bottom Flange Thickness: the distance between the exterior surfaces of the bottom flange in the section shape of a castellated or welded element. b2. Bottom Flange Width: the external width of the bottom flange in the section shape of a castellated or welded element. t. Web Thickness: the distance between the exterior surfaces of the web in the section shape. h. Web Height: the distance along the web between the flanges in the section shape. y. Centroid Horizontal: the distance from the centroid of the section shape to the left extremities along the horizontal axis. z. Centroid Vertical: the distance from the centroid of the section shape to the lower extremities along the vertical axis. |