Generador de pasadores transversales

Valores recomendados:
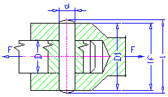
d = (0,2 -0,3) D
D 1 = (1,5 - 2) D - para acero y acero fundido
D 1 = 2,5 D - para hierro fundido gris
Longitud activa del pasador
La longitud activa del pasador l f disminuye con los chaflanes y los empalmes. La longitud activa suele soportar la carga.
Fórmulas
Comprobación de tensión de corte

Comprobación de presión de contacto

Interpretación de los símbolos en unidades métricas:
| τ | tensión de corte [MPa] |
τ A | tensión de corte admitida [MPa] |
d | diámetro del pasador [mm] |
p 1 | presión en la varilla de tracción [MPa] |
p 2 | presión en la manga [MPa] |
p 1A | presión admitida en la manga [MPa] |
p 2A | presión admitida en la varilla de tracción [MPa] |
D | diámetro de la varilla de tracción [mm] |
D 1 | diámetro de la manga [mm] |
Interpretación de los símbolos en unidades imperiales:
| τ | tensión de corte [lpc] |
τ A | tensión de corte admitida [lpc] |
d | diámetro del pasador [pulg] |
p 1 | presión en la varilla de tracción [lpc] |
p 2 | presión en la manga [lpc] |
p 1A | presión admitida en la manga [lpc] |
p 2A | presión admitida en la varilla de tracción [lpc] |
D | diámetro de la varilla de tracción [pulg] |
D 1 | diámetro de la manga [pulg] |