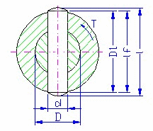
Generador de pasadores radiales

Valores recomendados:
d = (0,2 -0,3) D
D 1 = (1,5 - 2) D - para acero y acero fundido
D 1 = 2,5 D - para hierro fundido gris
Longitud activa del pasador
La longitud activa del pasador l f disminuye con los chaflanes y los empalmes. La longitud activa suele soportar la carga.
Fórmulas en unidades métricas
Tensión de plegado

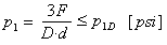
Presión en la varilla

Presión en la horquilla

Tensión de corte


donde:
| | F | fuerza [N] |
| | σ 0 | tensión de plegado [MPa] |
| | σ 0D | tensión de plegado admitida [MPa] |
| | M 0 | momento de plegado [N mm] |
| | W 0 | módulo de la sección de plegado [mm 3 ] |
| | τ | tensión de corte [MPa] |
| | τ D | tensión de corte admitida [MPa] |
| | d | diámetro del pasador [mm] |
| | p 1 | presión en la varilla [MPa] |
| | p 2 | presión en la horquilla [MPa] |
| | p 1D | presión admitida en la varilla [MPa] |
| | p 2D | presión admitida en la horquilla [MPa] |
| | b | anchura de la varilla [mm] |
| | a | anchura del brazo de la horquilla [mm] |
| | D | diámetro del eje [mm] |
Fórmulas en unidades imperiales
Tensión de plegado

Presión en la varilla

Presión en la horquilla

Tensión de corte


donde:
| | F | fuerza [libras] |
| | σ 0 | tensión de plegado [lpc] |
| | σ 0D | tensión de plegado admitida [lpc] |
| | M 0 | momento de plegado [pulgadas pies] |
| | W 0 | módulo de la sección de plegado [pulgadas 3 ] |
| | τ | tensión de corte [lpc] |
| | τ D | tensión de corte admitida [lpc] |
| | d | diámetro del pasador [pulg] |
| | p 1 | presión en la varilla [lpc] |
| | p 2 | presión en la horquilla [lpc] |
| | p 1D | presión admitida en la varilla [lpc] |
| | p 2D | presión admitida en la horquilla [lpc] |
| | b | anchura de la varilla [pulg] |
| | a | anchura del brazo de la horquilla [pulg] |
| | D | diámetro del eje [pulg] |