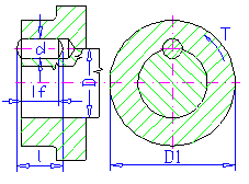
Generador de pasadores de junta

Valores recomendados
d = (0,12 - 0,25) D
l = (1 - 1,5) D
Longitud activa del pasador
La longitud activa del pasador l f disminuye con los chaflanes y los empalmes. La longitud activa suele soportar la carga.
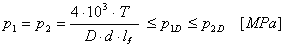
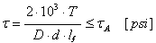
Fórmulas en unidades métricas
Par de torsión transferido

Comprobación de tensión de corte

Comprobación de presión de contacto

donde:
| | P | potencia transferida [kW] |
| | n | velocidad [rpm] |
| | T | par de torsión [Nm] |
| | τ | tensión de corte [MPa] |
| | τ A | tensión de corte admitida [MPa] |
| | d | diámetro del pasador [mm] |
| | p 1 | presión en el eje [MPa] |
| | p 2 | presión en la brida [MPa] |
| | p 1A | presión admitida en el eje [MPa] |
| | p 2A | presión admitida en la brida [MPa] |
| | D | diámetro del eje [mm] |
| | D 1 | diámetro de la brida [mm] |
| | l f | longitud activa del pasador [mm] |
Fórmulas en unidades imperiales
Par de torsión transferido

Comprobación de tensión de corte

Comprobación de presión de contacto

donde:
| | P | potencia transferida [CV] |
| | n | velocidad [rpm] |
| | T | par de torsión [libras/pies] |
| | τ | tensión de corte [lpc] |
| | τ A | tensión de corte admitida [lpc] |
| | d | diámetro del pasador [pulg] |
| | p 1 | presión en el eje [lpc] |
| | p 2 | presión en la brida [lpc] |
| | p 1A | presión admitida en el eje [lpc] |
| | p 2A | presión admitida en la brida [lpc] |
| | D | diámetro del eje [pulg] |
| | D 1 | diámetro de la brida [pulg] |
| | l f | longitud activa del pasador [pulg] |