Generador de pasadores seguros

Longitud activa del pasador
La longitud activa del pasador l f disminuye con los chaflanes y los empalmes. La longitud activa suele soportar la carga.
Fórmulas
Comprobación de tensión de corte

Comprobación de presión de contacto

Interpretación de los símbolos en unidades métricas:
| τ | tensión de corte [MPa] |
τ A | tensión de corte admitida [MPa] |
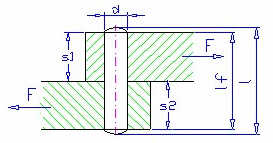
d | diámetro del pasador [mm] |
p 1 | presión en el tablero superior [MPa] |
p 2 | presión en el tablero inferior [MPa] |
p 1A | presión admitida en el tablero superior [MPa] |
p 2A | presión admitida en el tablero inferior [MPa] |
s 1 | grosor del tablero superior [mm] |
s 2 | grosor del tablero inferior [mm] |
Interpretación de los símbolos en unidades imperiales:
| τ | tensión de corte [lpc] |
τ A | tensión de corte admitida [lpc] |
d | diámetro del pasador [pulg] |
p 1 | presión en el tablero superior [lpc] |
p 2 | presión en el tablero inferior [lpc] |
p 1A | presión admitida en el tablero superior [lpc] |
p 2A | presión admitida en el tablero inferior [lpc] |
s 1 | grosor del tablero superior [pulg] |
s 2 | grosor del tablero inferior [pulg] |