Eche un vistazo a las mejoras más recientes del entorno de boceto.
Al utilizar Seleccionar otro, los objetos de boceto que aparecen en los resultados incluyen el nombre del boceto en el que se utilizan. Esta operación está disponible en bocetos de pieza, ensamblaje y 3D.
Presentación de Inventor® Ideas
Presentación de Inventor® Ideas
Al copiar y pegar la geometría de boceto y los bloques de boceto, la ubicación de pegado se corresponde con la ubicación del cursor. El centro del conjunto de selección se coloca en la ubicación del cursor.

En los entornos de pieza y ensamblaje, ahora tiene la capacidad de efectuar una selección de ventana al proyectar geometría de objetos en un boceto.
La siguiente geometría es compatible con la selección de ventana:
Tenga en cuenta que la selección de ventanas puede provocar una proyección duplicada de las geometrías de boceto, lo que puede causar problemas en el proceso de diseño. Se recomienda desactivar la visibilidad del boceto para evitar una proyección inesperada.
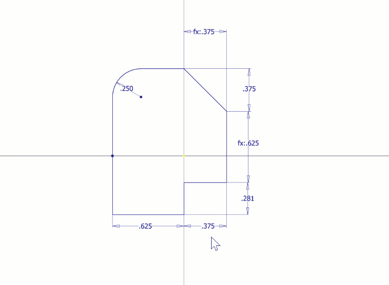
Las cotas de boceto ahora permanecen en sus posiciones insertadas en relación con la geometría con la que están asociadas.

Presentación de Inventor® Ideas
Presentación de Inventor® Ideas
Para obtener más información, consulte Procedimiento para crear y editar bocetos.