Revise y modifique los valores de los parámetros de cota de forma de sección de elementos de armazón estructural de acero conformado en frío.
Estas propiedades de tipo se crean a partir del parámetro de categoría de familia Forma de sección que corresponde al elemento.
| Forma de sección | Parámetros de cota de forma disponibles |
|---|---|
HSS rectangular (acero conformado en frío)
![]() |
B. Anchura: la anchura externa de la forma de sección. H. Altura: la altura externa de la forma de sección. T. Grosor de diseño de pared: el grosor de diseño perpendicular entre la superficie interna y externa de una forma de sección. t. Grosor nominal de pared: la distancia perpendicular media entre la superficie interna y externa de la forma de sección. r1. Empalme interior: el radio del empalme de la esquina interior de una forma de sección estructural hueca rectangular. r2. Empalme exterior: el radio del empalme de la esquina exterior de una forma de sección estructural hueca rectangular. y. Centroide horizontal: la distancia desde el centroide de la forma de sección hasta las extremidades izquierdas del eje horizontal. z. Centroide vertical: la distancia desde el centroide de la forma de sección hasta las extremidades inferiores del eje vertical. |
HSS redondo (acero conformado en frío)
![]() |
D. Diámetro: el diámetro externo de la forma de sección redonda. T. Grosor de diseño de pared: el grosor de diseño perpendicular entre la superficie interna y externa de una forma de sección. t. Grosor nominal de pared: la distancia perpendicular media entre la superficie interna y externa de la forma de sección. y. Centroide horizontal: la distancia desde el centroide de la forma de sección hasta las extremidades izquierdas del eje horizontal. z. Centroide vertical: la distancia desde el centroide de la forma de sección hasta las extremidades inferiores del eje vertical. |
Perfil en C
![]() |
B. Anchura: la anchura externa de la forma de sección. H. Altura: la altura externa de la forma de sección. T. Grosor de diseño de pared: el grosor de diseño perpendicular entre la superficie interna y externa de una forma de sección. t. Grosor nominal de pared: la distancia perpendicular media entre la superficie interna y externa de la forma de sección. r1. Empalme interior: el radio del empalme de la esquina interior de una curvatura en una forma de sección de acero conformado en frío. y. Centroide horizontal: la distancia desde el centroide de la forma de sección hasta las extremidades izquierdas del eje horizontal. z. Centroide vertical: la distancia desde el centroide de la forma de sección hasta las extremidades inferiores del eje vertical. |
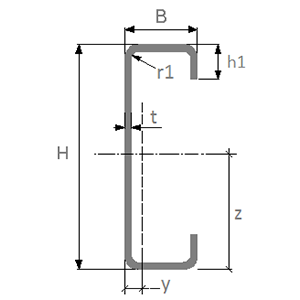
Perfil en C con pliegue
![]() |
B. Anchura: la anchura externa de la forma de sección. H. Altura: la altura externa de la forma de sección. h1. Longitud de bordes: la distancia entre la superficie exterior de la forma de sección y el extremo del segmento de borde. b1. Longitud de pliegue: la distancia entre la superficie exterior del segmento de borde y el extremo del segmento de pliegue. T. Grosor de diseño de pared: el grosor de diseño perpendicular entre la superficie interna y externa de una forma de sección. t. Grosor nominal de pared: la distancia perpendicular media entre la superficie interna y externa de la forma de sección. r1. Empalme interior: el radio del empalme de la esquina interior de una curvatura en una forma de sección de acero conformado en frío. y. Centroide horizontal: la distancia desde el centroide de la forma de sección hasta las extremidades izquierdas del eje horizontal. z. Centroide vertical: la distancia desde el centroide de la forma de sección hasta las extremidades inferiores del eje vertical. |
Perfil en C con bordes
![]() |
B. Anchura: la anchura externa de la forma de sección. H. Altura: la altura externa de la forma de sección. h1. Longitud de bordes: la distancia entre la superficie exterior de la forma de sección y el extremo del segmento de borde. T. Grosor de diseño de pared: el grosor de diseño perpendicular entre la superficie interna y externa de una forma de sección. t. Grosor nominal de pared: la distancia perpendicular media entre la superficie interna y externa de la forma de sección. r1. Empalme interior: el radio del empalme de la esquina interior de una curvatura en una forma de sección de acero conformado en frío. y. Centroide horizontal: la distancia desde el centroide de la forma de sección hasta las extremidades izquierdas del eje horizontal. z. Centroide vertical: la distancia desde el centroide de la forma de sección hasta las extremidades inferiores del eje vertical. |
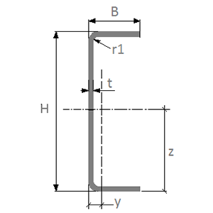
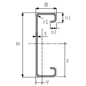
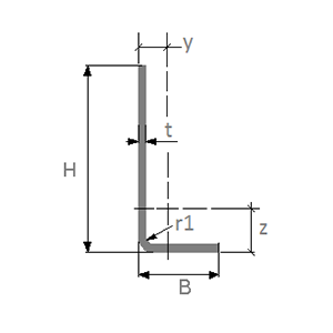
Perfil en L
![]() |
B. Anchura: la anchura externa de la forma de sección. H. Altura: la altura externa de la forma de sección. T. Grosor de diseño de pared: el grosor de diseño perpendicular entre la superficie interna y externa de una forma de sección. t. Grosor nominal de pared: la distancia perpendicular media entre la superficie interna y externa de la forma de sección. r1. Empalme interior: el radio del empalme de la esquina interior de una curvatura en una forma de sección de acero conformado en frío. y. Centroide horizontal: la distancia desde el centroide de la forma de sección hasta las extremidades izquierdas del eje horizontal. z. Centroide vertical: la distancia desde el centroide de la forma de sección hasta las extremidades inferiores del eje vertical. |
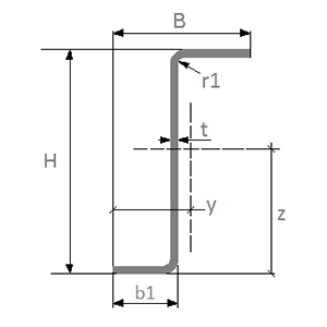
Perfil en L con bordes
![]() |
B. Anchura: la anchura externa de la forma de sección. H. Altura: la altura externa de la forma de sección. h1. Longitud de bordes: la distancia entre la superficie exterior de la forma de sección y el extremo del segmento de borde. T. Grosor de diseño de pared: el grosor de diseño perpendicular entre la superficie interna y externa de una forma de sección. t. Grosor nominal de pared: la distancia perpendicular media entre la superficie interna y externa de la forma de sección. r1. Empalme interior: el radio del empalme de la esquina interior de una curvatura en una forma de sección de acero conformado en frío. y. Centroide horizontal: la distancia desde el centroide de la forma de sección hasta las extremidades izquierdas del eje horizontal. z. Centroide vertical: la distancia desde el centroide de la forma de sección hasta las extremidades inferiores del eje vertical. |
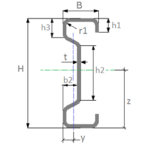
Perfil en sigma
![]() |
B. Anchura: la anchura externa de la forma de sección. H. Altura: la altura externa de la forma de sección. b2. Anchura de curvatura: la distancia entre las extremidades izquierdas de la forma de sección y la superficie exterior del segmento de curvatura intermedia. h2. Longitud de curvatura intermedia: la longitud de la superficie interior del segmento de curvatura intermedia. h3. Longitud de curvatura de parte superior: la distancia entre la superficie exterior de la parte superior de la forma de sección y el extremo de la parte superior del segmento de curvatura. T. Grosor de diseño de pared: el grosor de diseño perpendicular entre la superficie interna y externa de una forma de sección. t. Grosor nominal de pared: la distancia perpendicular media entre la superficie interna y externa de la forma de sección. r1. Empalme interior: el radio del empalme de la esquina interior de una curvatura en una forma de sección de acero conformado en frío. y. Centroide horizontal: la distancia desde el centroide de la forma de sección hasta las extremidades izquierdas del eje horizontal. z. Centroide vertical: la distancia desde el centroide de la forma de sección hasta las extremidades inferiores del eje vertical. |
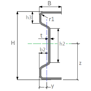
Perfil en sigma con pliegue
![]() |
B. Anchura: la anchura externa de la forma de sección. H. Altura: la altura externa de la forma de sección. b1. Longitud de pliegue: la distancia entre la superficie exterior del segmento de borde y el extremo del segmento de pliegue. h1. Longitud de bordes: la distancia entre la superficie exterior de la forma de sección y el extremo del segmento de borde. b2. Anchura de curvatura: la distancia entre las extremidades izquierdas de la forma de sección y la superficie exterior del segmento de curvatura intermedia. h2. Longitud de curvatura intermedia: la longitud de la superficie interior del segmento de curvatura intermedia. h3. Longitud de curvatura de parte superior: la distancia entre la superficie exterior de la parte superior de la forma de sección y el extremo de la parte superior del segmento de curvatura. T. Grosor de diseño de pared: el grosor de diseño perpendicular entre la superficie interna y externa de una forma de sección. t. Grosor nominal de pared: la distancia perpendicular media entre la superficie interna y externa de la forma de sección. r1. Empalme interior: el radio del empalme de la esquina interior de una curvatura en una forma de sección de acero conformado en frío. y. Centroide horizontal: la distancia desde el centroide de la forma de sección hasta las extremidades izquierdas del eje horizontal. z. Centroide vertical: la distancia desde el centroide de la forma de sección hasta las extremidades inferiores del eje vertical. |
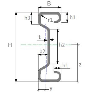
Perfil en sigma con bordes
![]() |
B. Anchura: la anchura externa de la forma de sección. H. Altura: la altura externa de la forma de sección. b2. Anchura de curvatura: la distancia entre las extremidades izquierdas de la forma de sección y la superficie exterior del segmento de curvatura intermedia. h1. Longitud de bordes: la distancia entre la superficie exterior de la forma de sección y el extremo del segmento de borde. h2. Longitud de curvatura intermedia: la longitud de la superficie interior del segmento de curvatura intermedia. h3. Longitud de curvatura de parte superior: la distancia entre la superficie exterior de la parte superior de la forma de sección y el extremo de la parte superior del segmento de curvatura. T. Grosor de diseño de pared: el grosor de diseño perpendicular entre la superficie interna y externa de una forma de sección. t. Grosor nominal de pared: la distancia perpendicular media entre la superficie interna y externa de la forma de sección. r1. Empalme interior: el radio del empalme de la esquina interior de una curvatura en una forma de sección de acero conformado en frío. y. Centroide horizontal: la distancia desde el centroide de la forma de sección hasta las extremidades izquierdas del eje horizontal. z. Centroide vertical: la distancia desde el centroide de la forma de sección hasta las extremidades inferiores del eje vertical. |
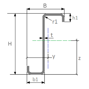
Perfil en Z
![]() |
B. Anchura: la anchura externa de la forma de sección. H. Altura: la altura externa de la forma de sección. b1. Longitud de ala de parte inferior: la distancia entre la superficie interior de la forma de sección y el extremo del segmento de ala inferior. T. Grosor de diseño de pared: el grosor de diseño perpendicular entre la superficie interna y externa de una forma de sección. t. Grosor nominal de pared: la distancia perpendicular media entre la superficie interna y externa de la forma de sección. r1. Empalme interior: el radio del empalme de la esquina interior de una curvatura en una forma de sección de acero conformado en frío. y. Centroide horizontal: la distancia desde el centroide de la forma de sección hasta las extremidades izquierdas del eje horizontal. z. Centroide vertical: la distancia desde el centroide de la forma de sección hasta las extremidades inferiores del eje vertical. |
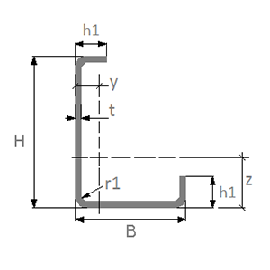
Perfil en Z con bordes
![]() |
B. Anchura: la anchura externa de la forma de sección. H. Altura: la altura externa de la forma de sección. b1. Longitud de ala de parte inferior: la distancia entre la superficie interior de la forma de sección y el extremo del segmento de ala inferior. h1. Longitud de bordes: la distancia entre la superficie exterior de la forma de sección y el extremo del segmento de borde. T. Grosor de diseño de pared: el grosor de diseño perpendicular entre la superficie interna y externa de una forma de sección. t. Grosor nominal de pared: la distancia perpendicular media entre la superficie interna y externa de la forma de sección. r1. Empalme interior: el radio del empalme de la esquina interior de una curvatura en una forma de sección de acero conformado en frío. y. Centroide horizontal: la distancia desde el centroide de la forma de sección hasta las extremidades izquierdas del eje horizontal. z. Centroide vertical: la distancia desde el centroide de la forma de sección hasta las extremidades inferiores del eje vertical. |