RecouvrementElargissementAvecDévers1

Cet élément de profil type recouvre un côté de la route existante et ajoute une ou plusieurs voies de circulation aux bords à l'aide d'une pente de dévers définie pour la voie de circulation extérieure.

Association

Le point d'association est situé sur le bord intérieur du haut de la couche de recouvrement, si le paramètre Profondeur de recouvrement est non nul. Il est placé sur le bord intérieur de la surface finale de la voie d'élargissement, si le paramètre Profondeur de recouvrement est égal à zéro.

Paramètres d'entrée

Remarque : toutes les cotes sont indiquées en mètres ou en pieds, sauf indication contraire. Toutes les pentes sont exprimées sous la forme x:y (par exemple, 4 : 1), sauf si elles sont exprimées en pourcentage avec un signe %.

Paramètre

Description

Type

Par défaut

Décalage du point de contrôle

Décalage du point de contrôle définissant le début de la couche de recouvrement de la chaussée

Numérique

0.0

Insérer un décalage de point

Décalage du point d'insertion de la voie d'élargissement située par défaut sur le bord de la chaussée existant. Si la valeur de ce paramètre est positive, l'élément de profil type est inséré du côté droit d'un projet 3D ou d'une ligne de base de contrôle. Cet élément est inséré du côté gauche si la valeur est négative. Pour plus d'informations, reportez-vous à "Insertion d'éléments de profil type à droite et à gauche d'un projet 3D" dans le chapitre Projets 3D du manuel d'utilisation d'Autodesk Civil 3D.

Numérique

0.0

Profondeur de recouvrement

Profondeur du recouvrement au-dessus de la surface finale existante au point de contrôle.

Numérique, positive

0.100 m

0.30 pied

Largeur

Largeur de la voie d'élargissement

Numérique, positive

3.6 m

12.0 pieds

Profondeur de Roulement

Epaisseur de la couche Roulement pour la voie d'élargissement ; zéro pour omettre

Numérique, positive

0.025 m

0.083 pied

Profondeur de Revêtement2

Epaisseur de la couche Revêtement2 pour la voie d'élargissement ; zéro pour omettre

Numérique, positive

0.025 m

0.083 pied

Profondeur de base

Epaisseur de la couche de base pour la voie d'élargissement

Numérique, positive

0.100 m

0.333 pied

Profondeur de couche de matériau

Epaisseur de la couche de matériau pour la voie d'élargissement

Numérique, positive

0.300 m

1,0 pied

Paramètres cible

Cette section répertorie les paramètres de l'élément de profil type pouvant être mis en correspondance avec un ou plusieurs objets cibles tels qu'une surface, un axe ou un objet de ligne de profil en long dans un dessin. Pour plus d'informations, reportez-vous à la rubrique Pour définir les cibles de projet 3D.

Paramètre

Description

Etat

Surface existante

Nom de la surface définissant la route existante. Les types d'objet suivants peuvent être utilisés comme cibles pour spécifier la surface : surfaces.

Obligatoire

Décalage du point de contrôle

Peut être utilisé pour remplacer le paramètre Décalage du point de contrôle fixe et lier ce point à un axe de décalage. Les types d'objet suivants peuvent être utilisés comme cibles pour indiquer ce décalage : axes, polylignes, lignes caractéristiques ou figures de topographie.

Facultatif

Insérer un décalage de point

Peut être utilisé pour remplacer le paramètre Insérer un décalage de point fixe et lier ce point à un axe de décalage. Les types d'objet suivants peuvent être utilisés comme cibles pour indiquer ce décalage : axes, polylignes, lignes caractéristiques ou figures de topographie.

Facultatif

Largeur

Peut être utilisé pour remplacer le paramètre Largeur fixe de la voie d'élargissement et lier le bord de la voie à un axe de décalage. Les types d'objet suivants peuvent être utilisés comme cibles pour indiquer ce décalage : axes, polylignes, lignes caractéristiques ou figures de topographie.

Facultatif

Paramètres de sortie

Paramètre

Description

Type

%Pente

Pente calculée sur la surface existante du point d'échantillonnage au point d'insertion

Numérique

Comportement

Le dévers de la voie extérieure est obtenu à partir des propriétés de l'axe de l'axe de contrôle courant et l'altitude sur la surface existante est déterminée au décalage du point de contrôle.

Si un paramètre Profondeur de recouvrement donné est non nul, la profondeur de recouvrement est appliquée au point de contrôle. Le haut de la couche de recouvrement est prolongé jusqu'au décalage du point d'insertion sur la pente de dévers et la forme de recouvrement est fermée en superposant des liens sur la surface existante entre les points de contrôle et d'insertion, ainsi qu'en ajoutant des liens verticaux à chaque extrémité. La voie d'élargissement est prolongée vers l'extérieur sur la pente de dévers pour la Largeur spécifiée à partir du bord de la surface de recouvrement.

Si le paramètre Profondeur de recouvrement est défini sur zéro, les voies d'élargissement se prolongent vers l'extérieur à partir du décalage du point d'insertion sur la surface existante pour la pente de dévers et la largeur spécifiée.

Les calques de la chaussée sont fermés avec des liens verticaux à chaque extrémité. Un lien vertical unique est également positionné du bord intérieur de la couche de matériau à la surface existante.

Fonctionnement en mode d'édition

En mode d'édition, cet élément de profil type peut être associé à n'importe quel point. La couche de recouvrement présente une profondeur uniforme avec une largeur de 3.6 mètres ou 12 pieds et prolongée pour une pente à -2 %. Si le paramètre Profondeur de recouvrement est défini sur zéro, le recouvrement apparaît sous la forme d'un lien unique. La voie d'élargissement se prolonge du bord du recouvrement à une pente à -2 %.

Lors de l'utilisation du mode de conception du projet 3D, les formes s'ajustent au point de contrôle, point d'insertion, pente de dévers et surface existante sélectionnés.

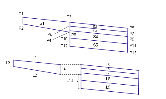
Codes de point, de lien et de forme

Le tableau suivant répertorie les codes, pour cet élément de profil type, des points, liens et formes auxquels sont affectés des codes. Les codes des points, liens ou formes auxquels aucun code n'a été affecté ne sont pas inclus dans ce tableau.

Point, Lien ou Forme

Code

Description

P5

ETW

Bordures extérieures de la voie d'élargissement sur la surface finale

P7

ETW_Pave1

Bordure extérieure de la voie d'élargissement sur Roulement

P9

ETW_Pave2

Bordure extérieure de la voie d'élargissement sur Revêtement2

P11

Point de chaussée

Bordure extérieure de la voie d'élargissement sur la base

P13

Point de chaussée

Bord extérieur de la voie d'élargissement sur couche de matériau

L1, L5

Haut, Revêtement

Surface finale des parties revêtues

L2

Renforcement

Superposé sur des liens sur la surface existante. Remarquez qu'il peut y avoir plusieurs liens entre les points P3 et P4.

L6

Pave1

L7

Pave2

L8

Base

L9

Forme, Assise des terrassements

L10

Assise des terrassements

S1

Renforcement

Aire entre le recouvrement et la voie existante.

S2

Pave1

S3

Pave2

S4

Base

S5

Forme

Diagramme de codage