RecouvrementElargissementDepuisBordure

Cet élément de profil type est utilisé pour superposer un côté d'une route existante et ajouter une ou plusieurs voies de circulation sur le bord faisant le tour d'une bordure de rive.

Il s'apparente à l'élément de profil type RecouvrementElargissementMêmePente1, hormis le fait qu'il se prolonge vers l'intérieur à partir d'un point d'embase de bordure existant ou proposé.

Association

Le point d'association est situé sur le bord extérieur de la ligne de profil en travers de l'élargissement de voie. Cet élément de profil type est généralement inséré vers l'intérieur depuis l'embase d'une bordure et d'un caniveau existants ou proposés, ou depuis le bord extérieur de la chaussée faisant le tour d'une bordure de rive.

Paramètres d'entrée

Remarque : toutes les cotes sont indiquées en mètres ou en pieds, sauf indication contraire. Toutes les pentes sont exprimées sous la forme x:y (par exemple, 4 : 1), sauf si elles sont exprimées en pourcentage avec un signe %.

Paramètre

Description

Type

Par défaut

Côté

Indique sur quel côté du point d'association cet élément de profil type sera ajouté.

Booléen

Gauche / Droite

Largeur de la voie d'élargissement

Largeur de la voie d'élargissement.

Numérique, positive

3.6 m

12.0 pieds

Largeur de superposition

Largeur de la superposition de la chaussée.

Numérique, positive

3.6 m

12.0 pieds

Pente

Pente de la superposition et de l'élargissement.

Numérique

- 2%

Profondeur de Roulement

Epaisseur de la couche Roulement pour l'élargissement de voie ; zéro pour omettre.

Numérique, positive

0.025 m

0.083 pied

Profondeur de Revêtement2

Epaisseur de la couche Revêtement2 pour l'élargissement de voie ; zéro pour omettre.

Numérique, positive

0.025 m

0.083 pied

Profondeur de base

Epaisseur de la couche de base pour l'élargissement de voie.

Numérique, positive

0.100 m

0.333 pied

Profondeur de couche de matériau

Epaisseur de la couche de matériau pour la voie d'élargissement.

Numérique, positive

0.300 m

1,0 pied

Paramètres cible

Cette section répertorie les paramètres de l'élément de profil type pouvant être mis en correspondance avec un ou plusieurs objets cibles tels qu'une surface, un axe ou un objet de ligne de profil en long dans un dessin. Pour plus d'informations, reportez-vous à la rubrique Pour définir les cibles de projet 3D.

Paramètre

Description

Etat

Surface existante

Nom de la surface définissant la route existante. Les types d'objet suivants peuvent être utilisés comme cibles pour spécifier la surface : surfaces.

Obligatoire

Décalage d'élargissement

Peut être utilisé pour remplacer le paramètre fixe Largeur de la voie d'élargissement et lier le bord intérieur de l'élargissement à un axe. Les types d'objet suivants peuvent être utilisés comme cibles pour indiquer ce décalage : axes, polylignes, lignes caractéristiques du terrain ou figures de topographie.

Facultatif

Décalage de superposition

Peut être utilisé pour remplacer le paramètre Largeur de superposition et lier le bord intérieur de la superposition à un axe. Les types d'objet suivants peuvent être utilisés comme cibles pour indiquer ce décalage : axes, polylignes, lignes caractéristiques du terrain ou figures de topographie.

Facultatif

Profil de superposition

Peut être utilisé pour remplacer le paramètre Pente et lier l'altitude du bord intérieur de la superposition à une ligne de profil en long, aboutissant ainsi à une pente calculée. Les types d'objet suivants peuvent être utilisés comme cibles pour indiquer l'altitude : lignes de profil, polylignes 3D, lignes caractéristiques du terrain ou figures de topographie.

Facultatif

Paramètres de sortie

Paramètre

Description

Type

% pente

Pente calculée sur la surface existante du point d'échantillonnage au point d'insertion

Numérique

Comportement

Le point d'association détermine le décalage et l'altitude du bord extérieur de l'élargissement. L'emplacement du bord intérieur de l'élargissement et du bord intérieur de la superposition est déterminé à l'aide des largeurs et de la pente indiquées. Les axes peuvent servir à remplacer les largeurs numériques données. Si le paramètre Profil de superposition est indiqué, la pente est calculée entre l'altitude de la ligne de profil en long au niveau du bord intérieur de la superposition et celle du point d'association.

L'illustration suivante montre un exemple avec profil de décalage de superposition. (Si le paramètre Profil de superposition est indiqué, la pente est calculée entre l'altitude de la ligne de profil en long au niveau du bord intérieur de la superposition et celle du point d'association.)

L'illustration suivante montre un exemple sans profil de décalage de superposition.

Il est important de noter que la pente de gauche à droite de cet élément de profil type est la même. De plus, la même pente est appliquée à toutes les sous-surfaces.

Enfin, si le profil de superposition est associé, vous devez ajouter des liens verticaux (a) du "décalage de la superposition" à la surface cible (TN), (b) de l'extrémité de la superposition et du début de l'élargissement à la surface cible (TN), et (c) ajouter des liens entre deux points le long (tracé) des liens de surface cible (TN).

La zone constituée par cette forme doit être codée en tant que "Superposition" (S1) sous le diagramme de codage.

La superposition correspond à la zone située entre le haut de la superposition et le terrain naturel, et peut correspondre à une profondeur non uniforme.

Fonctionnement en mode d'édition

En mode d'édition, cet élément de profil type est associé à n'importe quel point. L'élément de profil type est affiché avec les largeurs et la pente indiquées. En mode de conception, les formes s'ajustent aux conditions en cours définies par la surface existante, ainsi que la ligne de profil en long et l'affectation logique d'exécution.

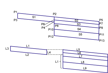
Codes de point, de lien et de forme

Le tableau suivant répertorie les codes, pour cet élément de profil type, des points, liens et formes auxquels sont affectés des codes. Les codes des points, liens ou formes auxquels aucun code n'a été affecté ne sont pas inclus dans ce tableau.

Point, lien ou forme Codes Description
P5 ETW Bordures extérieures de la voie d'élargissement sur la surface finale
P7 ETW_Pave1 Bordure extérieure de la voie d'élargissement sur Roulement
P9 ETW_Pave2 Bordure extérieure de la voie d'élargissement sur Revêtement2
P11 Point de chaussée Bordure extérieure de la voie d'élargissement sur la base
P13 Point de chaussée Bord extérieur de la voie d'élargissement sur couche de matériau
L1, L5 Top, Pave Surface finale des parties revêtues
L2 Renforcement Superposé sur des liens sur la surface existante. Remarquez qu'il peut y avoir plusieurs liens entre les points P3 et P4.
L6 Pave1  
L7 Pave2  
L8 Base  
L9 Forme, Assise des terrassements  
L10 Assise des terrassements  
S1 Renforcement Aire entre le recouvrement et la voie existante.
S2 Pave1  
S3 Pave2  
S4 Base  
S5 Forme  

Diagramme de codage