RecouvrementElargissementMêmePente1

Cet élément de profil type recouvre un côté de la route existante et ajoute une ou plusieurs voies de circulation aux bords qui correspondent aux pentes des voies existantes.

Association

Le point d'association est situé sur le bord intérieur du haut de la couche de recouvrement.

Paramètres d'entrée

Remarque : toutes les cotes sont indiquées en mètres ou en pieds, sauf indication contraire. Toutes les pentes sont exprimées sous la forme x:y (par exemple, 4 : 1), sauf si elles sont exprimées en pourcentage avec un signe %.

Paramètre

Description

Type

Par défaut

Décalage point d'échantillonnage

Décalage du point d'échantillonnage, qui peut être situé n'importe où entre le point d'insertion et le prochain changement de pente sur la surface de la route existante. Les emplacements des points d'échantillonnage par défaut se situent sur le dévers de la route ou sur le bord opposé de la chaussée, si la chaussée n'est pas en toit.

Numérique

0.0

Insérer un décalage de point

Décalage du point d'insertion, situé par défaut sur le bord de la chaussée à élargir.

Numérique

0.0

Profondeur de recouvrement

Profondeur de recouvrement au-dessus de la surface finale existante

Numérique, positive

0.100 m

0.30 pied

Largeur

Largeur de la voie d'élargissement

Numérique, positive

3.6 m

12.0 pieds

Profondeur de Roulement

Epaisseur de la couche Roulement pour la voie d'élargissement ; zéro pour omettre

Numérique, positive

0.025 m

0.083 pied

Profondeur de Revêtement2

Epaisseur de la couche Revêtement2 pour la voie d'élargissement ; zéro pour omettre

Numérique, positive

0.025 m

0.083 pied

Profondeur de base

Epaisseur de la couche de base pour la voie d'élargissement

Numérique, positive

0.100 m

0.333 pied

Profondeur de couche de matériau

Epaisseur de la couche de matériau pour la voie d'élargissement

Numérique, positive

0.300 m

1,0 pied

Paramètres cible

Cette section répertorie les paramètres de l'élément de profil type pouvant être mis en correspondance avec un ou plusieurs objets cibles tels qu'une surface, un axe ou un objet de ligne de profil en long dans un dessin. Pour plus d'informations, reportez-vous à la rubrique Pour définir les cibles de projet 3D.

Paramètre

Description

Etat

Surface existante

Nom de la surface définissant la route existante. Les types d'objet suivants peuvent être utilisés comme cibles pour spécifier la surface : surfaces.

Obligatoire

Décalage de point d'échantillonnage

Peut être utilisé pour remplacer le paramètre Décalage de point d'échantillonnage fixe et lier ce point à un axe de décalage. Les types d'objet suivants peuvent être utilisés comme cibles pour indiquer ce décalage : axes, polylignes, lignes caractéristiques du terrain ou figures de topographie.

Facultatif

Insérer un décalage de point

Peut être utilisé pour remplacer le paramètre Insérer un décalage de point fixe et lier ce point à un axe de décalage. Les types d'objet suivants peuvent être utilisés comme cibles pour indiquer ce décalage : axes, polylignes, lignes caractéristiques du terrain ou figures de topographie.

Facultatif

Largeur

Peut être utilisé pour remplacer le paramètre Largeur fixe de la voie d'élargissement et lier le bord de la voie à un axe de décalage. Les types d'objet suivants peuvent être utilisés comme cibles pour indiquer ce décalage : axes, polylignes, lignes caractéristiques du terrain ou figures de topographie.

Facultatif

Paramètres de sortie

Paramètre

Description

Type

% pente

Pente calculée sur la surface existante du point d'échantillonnage au point d'insertion

Numérique

Comportement

Les altitudes du point d'échantillonnage et du point d'insertion sur la surface existante sont déterminées et la pente est calculée du point d'échantillonnage au point d'insertion. Une couche de recouvrement est ajoutée au-dessus de la voie existante sur la même pente pour le paramètre Profondeur de recouvrement spécifié. Une forme de recouvrement fermée est créée en superposant un ou plusieurs liens sur le talus existant. L'élargissement de la voie est associée vers l'extérieur à partir du recouvrement au décalage d'insertion à l'aide de la pente calculée.

Les calques de la chaussée sont fermés avec des liens verticaux à chaque extrémité. Un lien vertical unique est également positionné du bord intérieur de la couche de matériau à la surface existante.

Fonctionnement en mode d'édition

En mode d'édition, cet élément de profil type est associé à n'importe quel point. La couche de recouvrement présente une profondeur uniforme avec une largeur de 3.6 mètres ou 12 pieds pour une pente à -2 %. L'élargissement de la voie se prolonge du bord du recouvrement pour une largeur et des profondeurs spécifiées et une pente à -2 %.

En mode de conception, les formes s'ajustent aux conditions courantes déterminées par le point d'échantillonnage, le point d'insertion et la surface existante.

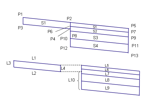
Codes de point, de lien et de forme

Le tableau suivant répertorie les codes, pour cet élément de profil type, des points, liens et formes auxquels sont affectés des codes. Les codes des points, liens ou formes auxquels aucun code n'a été affecté ne sont pas inclus dans ce tableau.

Point, Lien ou Forme

Code

Description

P5

ETW

Bordures extérieures de la voie d'élargissement sur la surface finale

P7

ETW_Pave1

Bordure extérieure de la voie d'élargissement sur Roulement

P9

ETW_Pave2

Bordure extérieure de la voie d'élargissement sur Revêtement2

P11

Point de chaussée

Bordure extérieure de la voie d'élargissement sur la base

P13

Point de chaussée

Bord extérieur de la voie d'élargissement sur couche de matériau

L1, L5

Top, Pave

Surface finale des parties revêtues

L2

Renforcement

Superposé sur des liens sur la surface existante. Remarquez qu'il peut y avoir plusieurs liens entre les points P3 et P4.

L6

Pave1

L7

Pave2

L8

Base

L9

Forme, Assise des terrassements

L10

Assise des terrassements

S1

Renforcement

Aire entre le recouvrement et la voie existante

S2

Pave1

S3

Pave2

S4

Base

S5

Forme

Diagramme de codage